EasyManua.ls Logo

Liebert 700-3000 VA - Major Components

Liebert 700-3000 VA
30 pages
Print Icon
To Next Page IconTo Next Page
To Next Page IconTo Next Page
To Previous Page IconTo Previous Page
To Previous Page IconTo Previous Page
Loading...
5
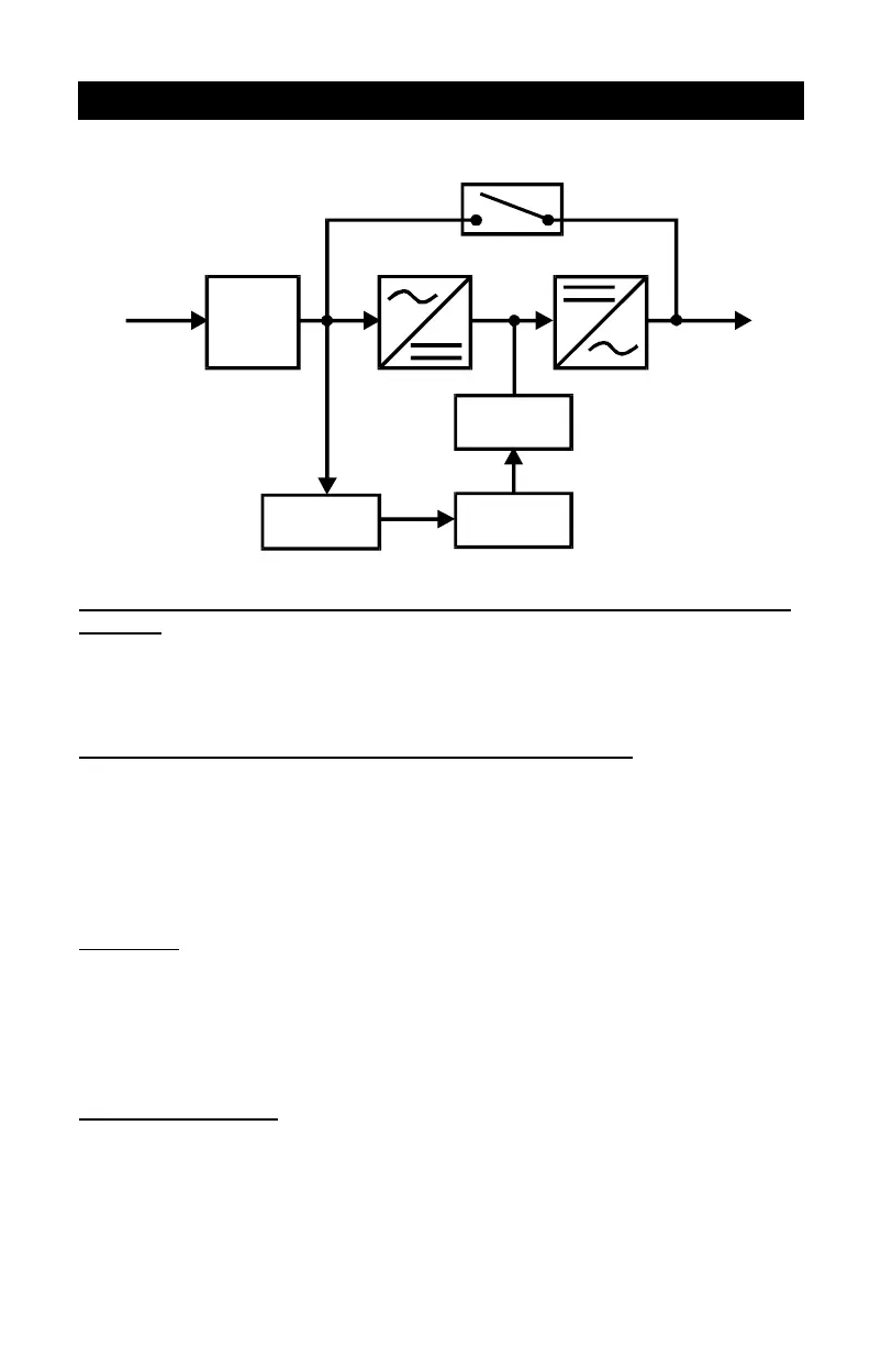
MAJOR COMPONENTS
TVSS
and
EMI/RFI
Filters
INPUT
Dynamic
Bypass
Rectifier/PFC
Inverter
OUTPUT
DC to DC
Converter
Battery
Battery
Charger
TRANSIENT VOLTAGE SURGE SUPPRESSION (TVSS) AND EMI/RFI
FILTERS
These UPS components provide surge protection, and filter both electromagnetic
interference (EMI) and radio frequency interference (RFI). They minimize any
surges or interference present in the mains line and keep the sensitive
equipment protected.
RECTIFIER/POWER FACTOR CORRECTION (PFC) CIRCUIT
In normal operation, the rectifier/power factor correction (PFC) circuit converts
mains AC power to regulated DC power for use by the inverter, while ensuring
that the waveshape of the input current used by the UPS is near ideal.
Extracting this sinewave input current achieves two objectives: the mains power
is used as efficiently as possible by the UPS, and the amount of distortion
reflected on the mains is reduced. This results in cleaner power being available
to other devices in the building not being protected by the UPStation GXT™.
INVERTER
In normal operation, the inverter utilizes the DC output of the power factor
correction circuit and “inverts” it into precise, regulated sinewave AC power.
Upon a mains power failure, the inverter receives its required energy from the
battery through the DC-DC converter. In both modes of the operation, the UPS
inverter is on-line and continuously generating clean, precise, regulated AC
output power.
BATTERY CHARGER
The battery charger utilizes energy from the mains power and precisely regulates
it to continuously “float” charge the battery system. The battery system charges
whenever the UPStation GXT™ is plugged in.

Related product manuals