EasyManua.ls Logo

Liebert PX023 - Page 82

Liebert PX023
153 pages
Print Icon
To Next Page IconTo Next Page
To Next Page IconTo Next Page
To Previous Page IconTo Previous Page
To Previous Page IconTo Previous Page
Loading...
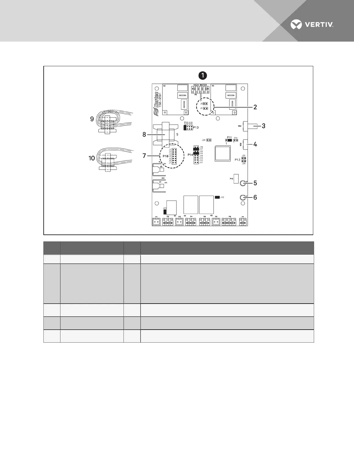
Figure 9.13 Steam-generating Humidifier Circuit board diagram
Item Description Item Description
1 PCB is configured for: MES-L 6 Yellow LED
2
HW Sensor Jumperss
J9: Low Voltage
200-240V
J8: High Voltage
380-600V
7
Mains Voltage Select Jumpers
J6: 200-208
J5: 230V
J3: 380-415
J2: 460V
J1: 575V
3
Capacity adjust (Default at
100%)
8 Current transformer
4 Sealed, do not adjust 9
Current Transformer for MES-L10, loop current-sensing wire twice through current sensing
coil.
5 Green LED 10
Current transformer for MES-L20, loop current-sensing wire once through current-sensing
coil.
To configure the correct PCB voltage, set the jumpers as follows:
NOTE: The asterisk (*) indicates a factory setting. Do not adjust.
208V: J6, J9, J15*, J17*, J19*, J10*, J23*, P11 (2-3)*
230V: J5, J9, J15*, J17*, J19*, J10*, J23*, P11 (2-3)*
380V: J3, J8, J15*, J17*, J19*, J10*, J23*, P11 (2-3)*
460V: J2, J8, J15*, J17*, J19*, J10*, J23*, P11 (2-3)*
575V: J1, J8, J15*, J17*, J19*, J10*, J23*, P11 (2-3)*
Vertiv | Liebert® PDX™ and PCW™ Installer/User Guide | 82

Table of Contents

Related product manuals