EasyManua.ls Logo

Linak LA31 - Page 158

Default Icon
295 pages
Print Icon
To Next Page IconTo Next Page
To Next Page IconTo Next Page
To Previous Page IconTo Previous Page
To Previous Page IconTo Previous Page
Loading...
Page 158 of 295
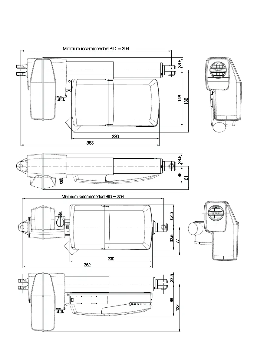
Mounting
For mounting on a LINAK actuator (LA27, LA31 or LA40), a mounting bracket is required.
Dimensions – mounted with LA40
Drawing No.: 1015W4018

Table of Contents

Related product manuals