EasyManua.ls Logo

Lincat EB6 - Wiring and Circuit Diagrams; EB3 Wiring Diagram; EB4 Wiring Diagram

Lincat EB6
21 pages
Print Icon
To Next Page IconTo Next Page
To Next Page IconTo Next Page
To Previous Page IconTo Previous Page
To Previous Page IconTo Previous Page
Loading...
IS09 ECN2087
16
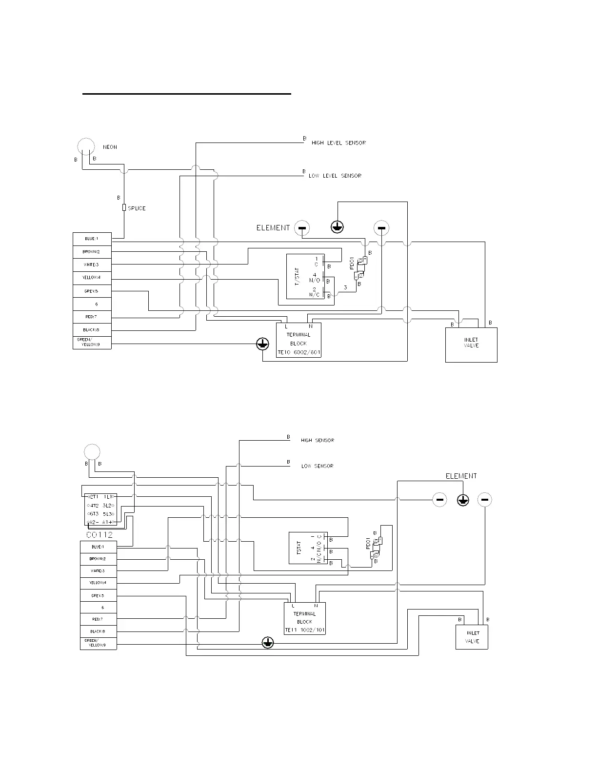
Wiring and Circuit Diagrams
EB3 Wiring Diagram
EB4 Wiring Diagram
NEON

Related product manuals