EasyManua.ls Logo

Linde T20 SP - Page 71

Linde T20 SP
134 pages
Print Icon
To Next Page IconTo Next Page
To Next Page IconTo Next Page
To Previous Page IconTo Previous Page
To Previous Page IconTo Previous Page
Loading...
Section 6
Page 17
Service Training
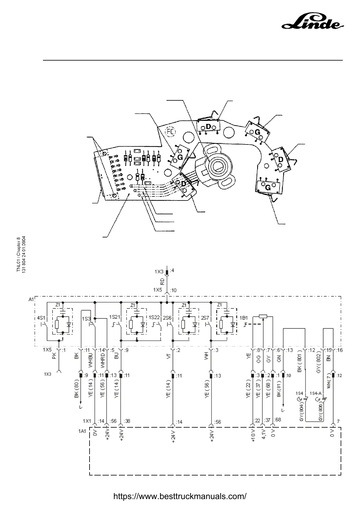
VIEW OF THE TILLER ELECTRONIC CARD
Potentiometer
1B1
Horn
4 S 1
Lower
2 S 7
Raise
2 S 6
Safety
1 S 3
Rear switch.
1 S 22
Circuit A1
Connector
(16 channels)
1X5
LBS-C screws 2.9x6.5-DIN7981
Front switch.
1 S 21
Green wire
Red wire
Yellow wire
PRINTED CIRCUIT PROVIDED
+24V
https://www.besttruckmanuals.com/

Related product manuals