EasyManua.ls Logo

Linde T20 SP - Page 80

Linde T20 SP
134 pages
Print Icon
To Next Page IconTo Next Page
To Next Page IconTo Next Page
To Previous Page IconTo Previous Page
To Previous Page IconTo Previous Page
Loading...
Service Training
Section 6
Page 26
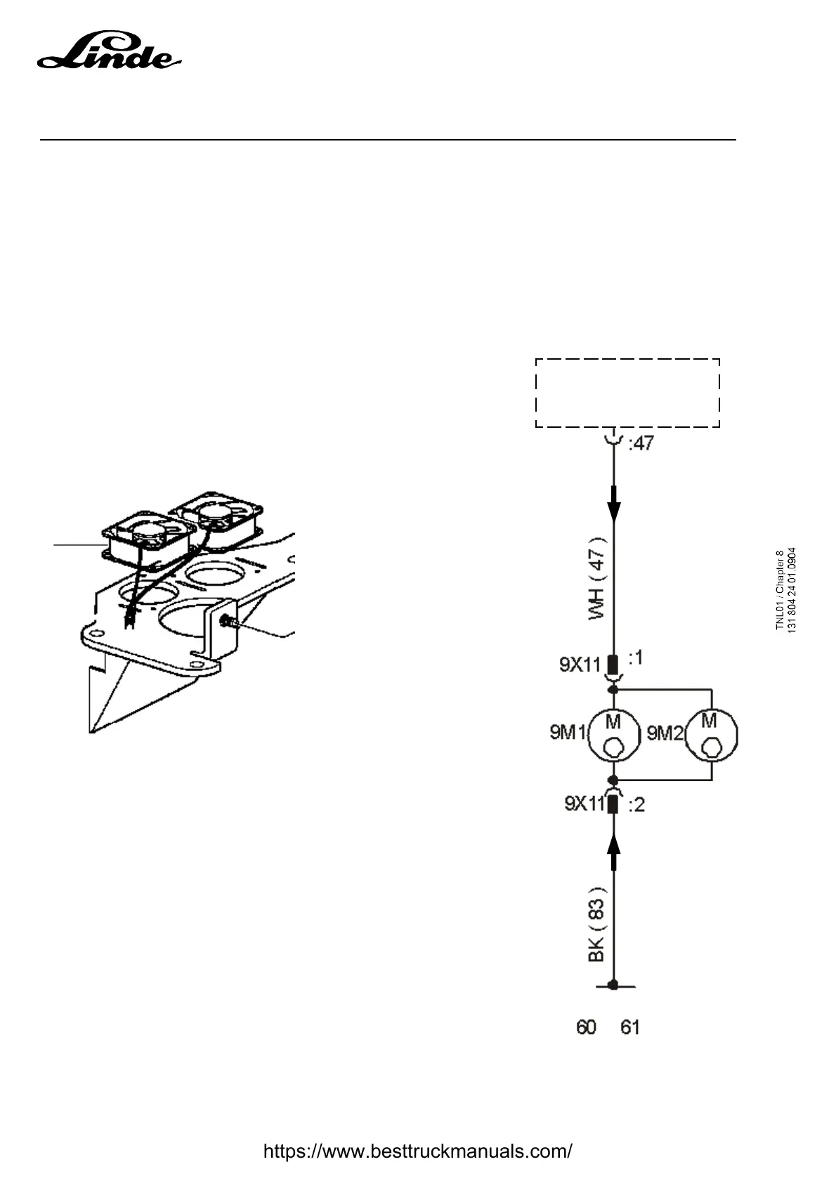
6.1.13 L.A.C. cooling fans - 9M1, 9M2
The 24V DC fans without brush, equipped with highly durable bearings are used to cool the LAC traction
and hydraulic controller.
The L.A.C. controls the fans when the internal temperature of the power stage exceeds 50°C, and stops
them when the temperature drops below 40°C.
Connector 9X11
Terminal
Colour Function
1 WH(47) +24V variator output signal
2 BK(83) Negative supply
9M1-9M2 ON =LAC > 50°C
9M1-9M2 OFF =LAC < 40°C
LAC
https://www.besttruckmanuals.com/

Related product manuals