EasyManua.ls Logo

Linea Plus PH-ET07E - Page 14

Default Icon
Print Icon
To Next Page IconTo Next Page
To Next Page IconTo Next Page
To Previous Page IconTo Previous Page
To Previous Page IconTo Previous Page
Loading...
425W
Servicio de Atención al Cliente:: lineaplus@lineaplus.eu 943 493 555
14
7. Parar o modo de temporizador
Pressione "M" para selecionar o temporizador no modo de temporizador semanal ou no modo normal.
8. Função adaptativa.
Se a temperatura na divisão baixar mais de 3 ºC devido à abertura de portas, janelas ou a um sistema de
ventilação, o dispositivo desliga-se automaticamente para poupar energia e potência de aquecimento. Se
precisar de continuar a aquecer a divisão, tem de fechar as portas e janelas e ligar o dispositivo.
9. Desativação da função adaptativa.
O produto virá com a função adaptativa ativada por predefinição. Se precisar de cancelar a função
adaptativa, pressione e mantenha o botão "-1" durante 5 segundos e largue-o quando ouvir o som de um
bipe. Ao fazê-lo, terá cancelado a função adaptativa. Se precisar de repor a função adaptativa, pressione
e mantenha o botão "+1" durante 5 segundos e largue-o após ouvir o som do bipe. Depois disso, a função
adaptativa voltará ao normal.
10. Se não pretende usar o aquecedor durante muito tempo, desligue-o.
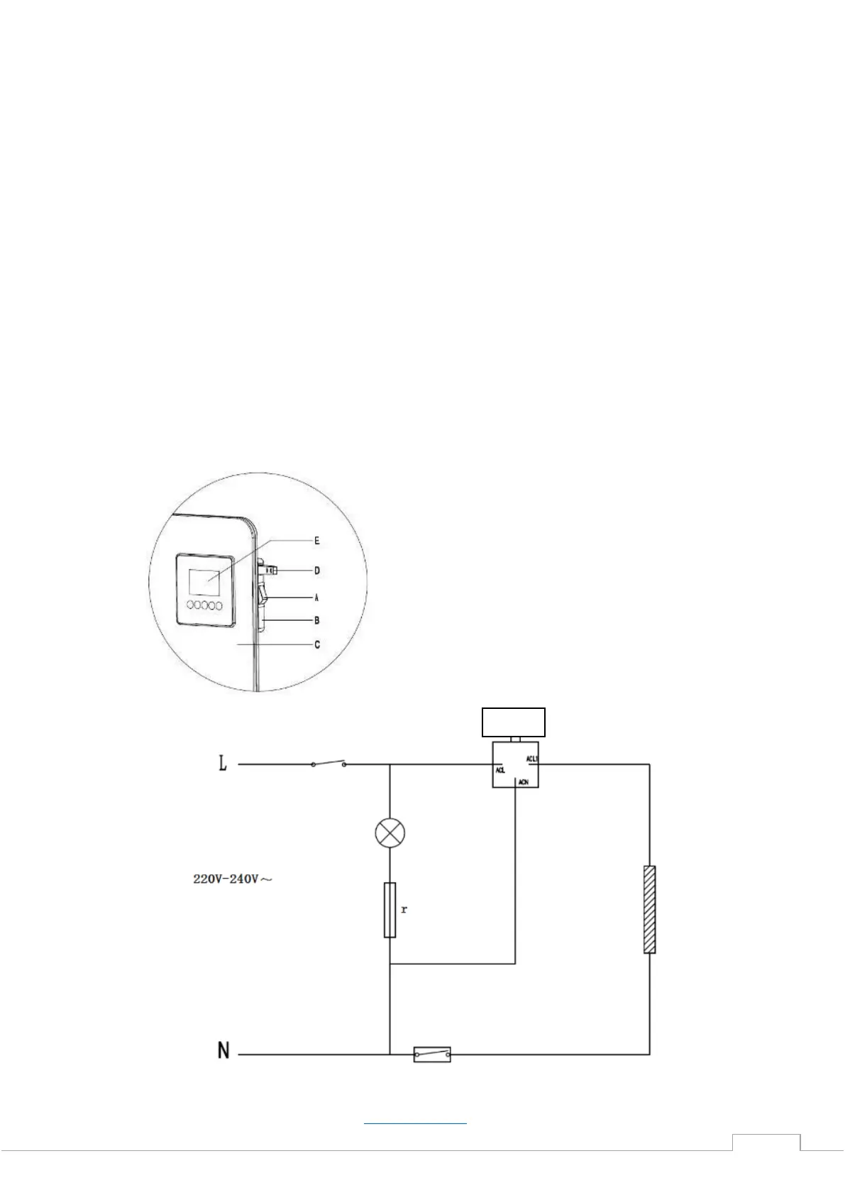
FUNÇOES DO PAINEL DE CONTROLE
DIAGRAMA ELETRICO
Interruptor
Lâmpada
Resistência
Elemento de aquecimiento
Ecrã
A. Interruptor ON/OFF
B. Painel de controle
C. Corpo do aquecedor
D. NTC, Sensor de Conforto Automático
E. Ecrã digital (Definições de conforto
personalizadas)
Termostato