EasyManua.ls Logo

Linea Plus PH-ET07E - Funciones del Panel de Control; Esquema Eléctrico

Default Icon
Print Icon
To Next Page IconTo Next Page
To Next Page IconTo Next Page
To Previous Page IconTo Previous Page
To Previous Page IconTo Previous Page
Loading...
425W
Servicio de Atención al Cliente:: lineaplus@lineaplus.eu 943 493 555
7
7. Detener el modo temporizador
Pulse "M" para cambiar de modo semanal a modo normal.
8. Función adaptativa.
Si la temperatura de la habitación baja más de 3ºC debido a la apertura de puertas, ventanas o sistemas
de ventilación, el dispositivo se apagará automáticamente, para ahorrar energía y calefacción. Si desea
continuar la calefacción de la habitación, deberá cerrar puertas y ventanas y encender el dispositivo.
9. Desactivar función adaptativa.
El producto viene con la función adaptativa activada por defecto. Si desea desactivar la función
adaptativa, mantenga pulsado el botón "-1" durante 5 segundos y suéltelo cuando oiga un pitido. Al
hacerlo, habrá desactivado la función adaptativa. Si necesita volver a activar la función adaptativa,
mantenga pulsada la tecla "+1" durante 5 segundos y suéltela tras oír el pitido. Después de eso, la función
adaptativa habrá vuelto a la normalidad.
10. Si no va a utilizar el calefactor durante mucho tiempo, desconéctelo.
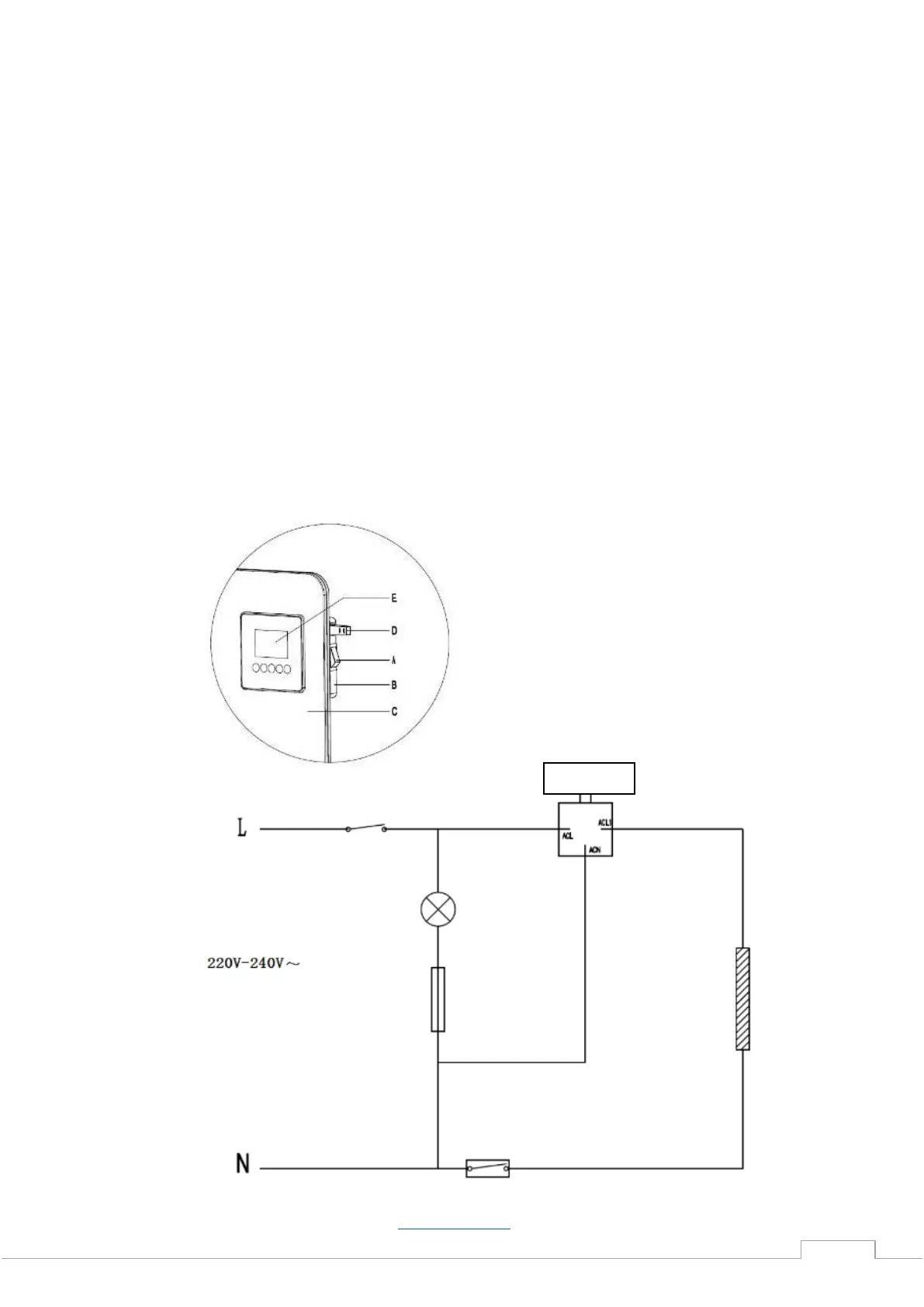
FUNCIONES DEL PANEL DE CONTROL
ESQUEMA ELÉCTRICO
Elemento calefactor
Interruptor
Pantalla
Resistencia
Lámpara
Termostato