EasyManua.ls Logo

Linea Plus PH-ET07E - Elektrisch Schema

Default Icon
Print Icon
To Next Page IconTo Next Page
To Next Page IconTo Next Page
To Previous Page IconTo Previous Page
To Previous Page IconTo Previous Page
Loading...
425W
Servicio de Atención al Cliente:: lineaplus@lineaplus.eu 943 493 555
42
8. Adaptieve functie
Als de kamertemperatuur door open deuren, ramen of ventilatiesystemen meer dan 3ºC daalt, schakelt het
apparaat automatisch uit om energie en de verwarming te (be)sparen. Als u de ruimte wilt blijven
verwarmen, moet u deuren en ramen sluiten en het apparaat weer inschakelen.
9. De adaptieve functie uitschakelen
Het product wordt geleverd met een adaptieve functie die standaard is geactiveerd. Als u de adaptieve
functie wilt uitschakelen, houd de "-1"-knop 5 seconden ingedrukt en laat die los wanneer u een pieptoon
hoort. Zo schakelt u de adaptieve functie uit. Als u de adaptieve functie opnieuw wilt activeren, houd de
"+1"-toets 5 seconden ingedrukt en laat die na het horen van de pieptoon weer los. Dan staat de adaptieve
functie weer in de normale stand.
10. Als u de verwarming lange tijd niet gebruikt, moet u die loskoppelen.
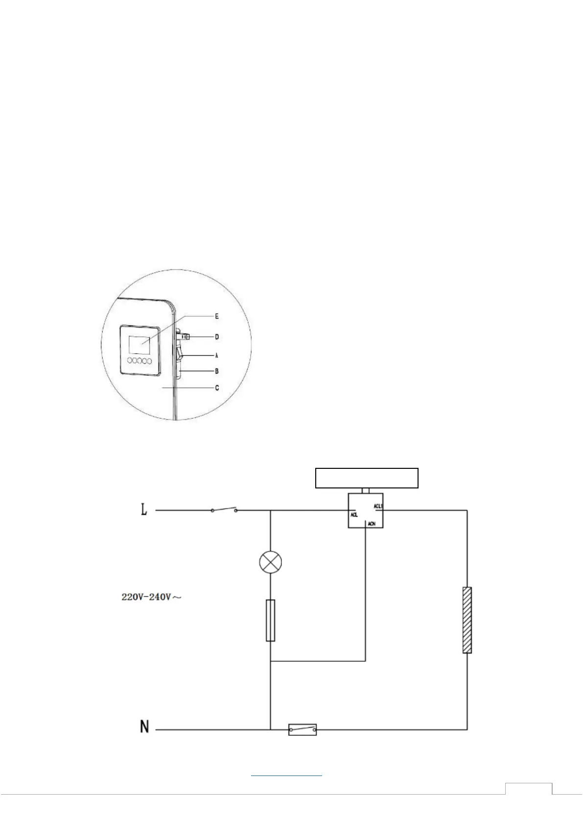
FUNCTIES VAN HET BEDIENINGSPANEEL
ELEKTRISCH SCHEMA
Verwarmingselement
Schakelaar
Scherm
Weerstand
Lampje
Thermostaat
A. AAN-/UIT-schakelaar
B. Bedieningspaneel
C. Verwarming
D. NTC: automatische comfort-sensor
E. Digitaal display (aangepaste comfortinstellingen)