EasyManua.ls Logo

Linea Plus PH-ET07E - Control Panel Functions; Electric Diagram

Default Icon
Print Icon
To Next Page IconTo Next Page
To Next Page IconTo Next Page
To Previous Page IconTo Previous Page
To Previous Page IconTo Previous Page
Loading...
425W
Servicio de Atención al Cliente:: lineaplus@lineaplus.eu 943 493 555
35
9. Adaptive cancellation.
Products factory Settings by default with the adaptive function, users in the use process such as the need
to cancel the adaptive function need long press "minus one key for 5 seconds," hear "di" after sound,
loosen "minus one key" and the adaptive function to cancel the success; If the user needs to restore the
"adaptive" function, he will need to press "add one button" for 5 seconds. After hearing the "tick", release
"add a key", then the adaptive function will return to normal.
10. If you want to leave it not working for a long time, please unplug the heater.
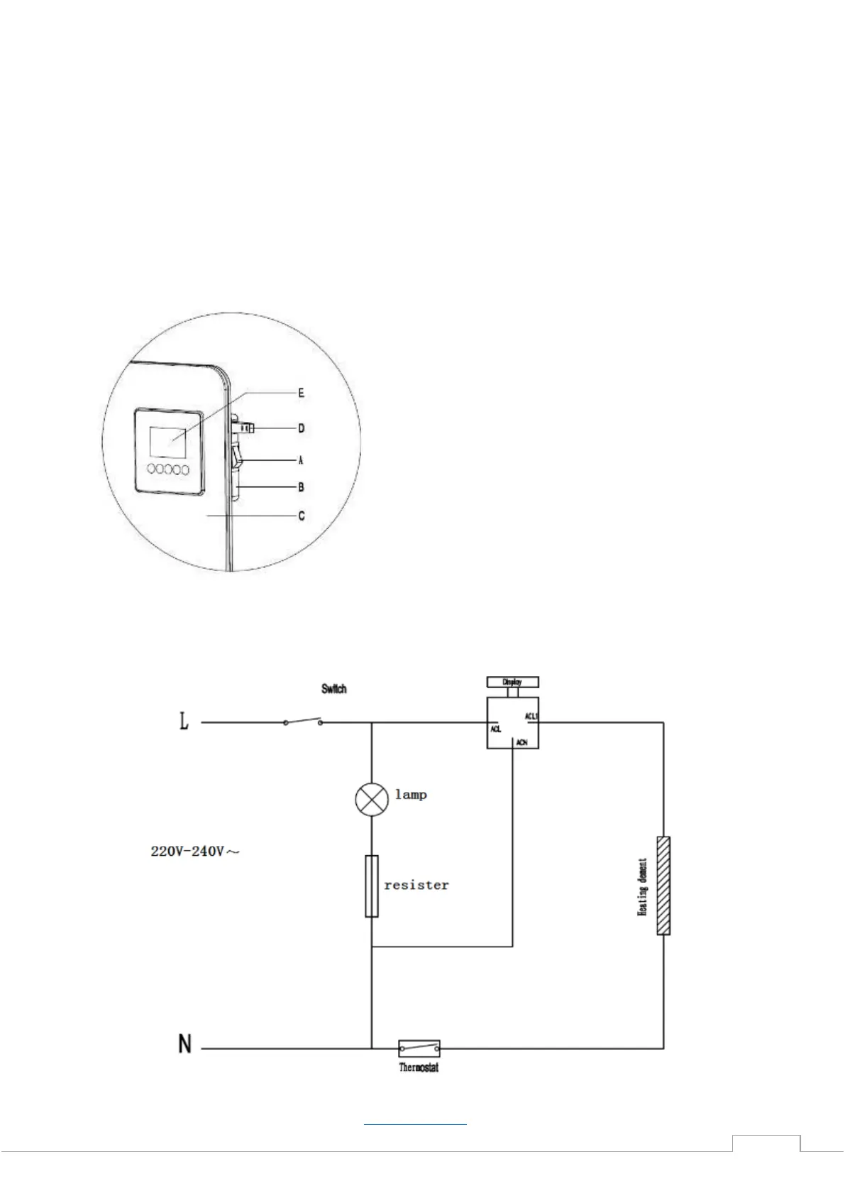
CONTROL PANEL FUNCTIONS
ELECTRIC DIAGRAM
A. ON/OFF Switch
B. Control Panel
C. Heater Body
D. NTC, Automatic Confort Sensor
E. Digital Screen (Customized Comfort Setting)