EasyManua.ls Logo

Linea Plus PH-ET07E - Funzioni del Pannello DI Controllo; Schema Elettrico

Default Icon
Print Icon
To Next Page IconTo Next Page
To Next Page IconTo Next Page
To Previous Page IconTo Previous Page
To Previous Page IconTo Previous Page
Loading...
425W
Servicio de Atención al Cliente:: lineaplus@lineaplus.eu 943 493 555
28
7. Arrestare la modalità timer
Premere "M" per passare dalla modalità settimanale alla quella normale.
8. Funzione adattiva.
Se la temperatura dell'ambiente scende più di 3ºC a causa dell'apertura di porte, finestre o sistemi di
ventilazione, l'apparecchio si spegne automaticamente per risparmiare energia e riscaldamento. Se si
desidera continuare a riscaldare l'ambiente, sarà necessario chiudere porte e finestre e riaccendere
l'apparecchio.
9. Disattivare funzione adattiva.
Il prodotto presenta la funzione adattiva attivata predefinita. Se si desidera disattivare la funzione adattiva,
tenere premuto il pulsante "-1" per 5 secondi e rilasciarlo dopo il segnale acustico. In questo modo, si
disattiva la funzione adattiva. Se fosse necessario attivarla nuovamente, tenere premuto il tasto "+1" per 5
secondi e rilasciarlo dopo il segnale acustico. In questo modo, la funzione adattiva tornerà attiva.
10. Se non si utilizza il radiatore per un lungo periodo di tempo, si consiglia di staccarlo.
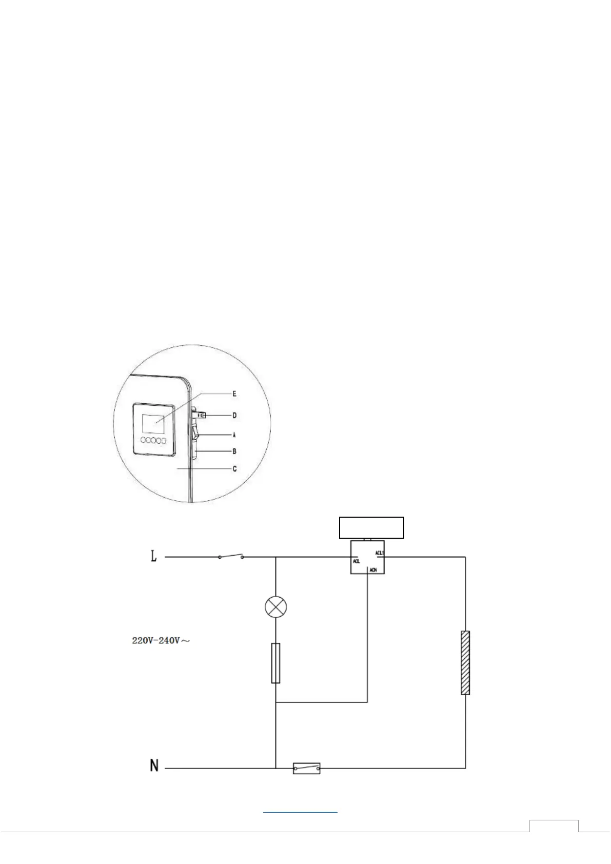
FUNZIONI DEL PANNELLO DI CONTROLLO
SCHEMA ELETTRICO
Elemento radiatore
Interruttore
Display
Resistenza
Lampada
A. Interruttore ON/OFF
B. Pannello di controllo
C. Corpo del radiatore
D. NTC, Sensore Automatico di Comfort
E. Display digitale (impostazioni di comfort
personalizzate)
Termostato