EasyManua.ls Logo

Lionel Train Orders Building - Wire for 153 IR Controller Operation

Lionel Train Orders Building
8 pages
Print Icon
To Next Page IconTo Next Page
To Next Page IconTo Next Page
To Previous Page IconTo Previous Page
To Previous Page IconTo Previous Page
Loading...
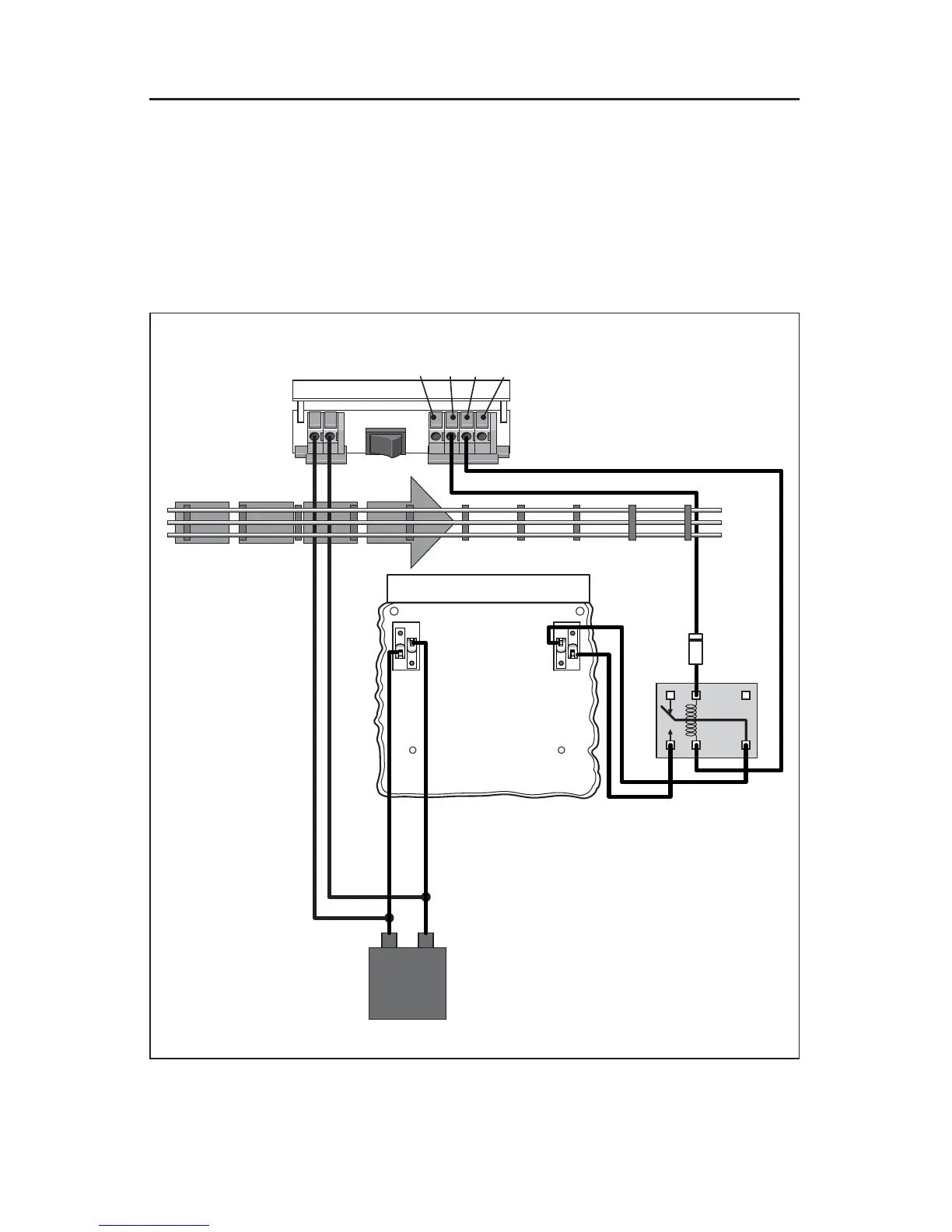
Wiring the accessory with the 153IR Controller
Y
ou may choose to connect this accessory with a 153IR Controller (available separately,
6-14111) and a 12-volt DC Relay (SPDT, 1A Contact rating) with a Diode (IN4001, IN4002,
IN4003, or IN4004) available from your electronics supply store. The trains trigger the 153IR
Controller by reflecting an infrared beam, so it is not necessary to install a pressure-sensitive
Contactor under the track. Refer to the 153IR Controller Owner’s Manual for additional
information.
The 153IR Controller connections are illustrated in Figure 4.
6
Figure 4. 153IR Controller connections
TRACK
POWER
AUX
POWER
To relay coil
polarity
doesn’t matter
Diode IN4001
2, 3, 4
Direction of Travel
POWER
SUPPLY
ACC
PWR
ACC
GND
NO
AU
NC
COMMON/GROUND/U
POWER/A
COMMON/GROUND/U
POWER/A
ACC
PWR
ACC
GND
NO NC
Com
Coil
Coil
N. C.
N. O.
IN4

Related product manuals