EasyManua.ls Logo

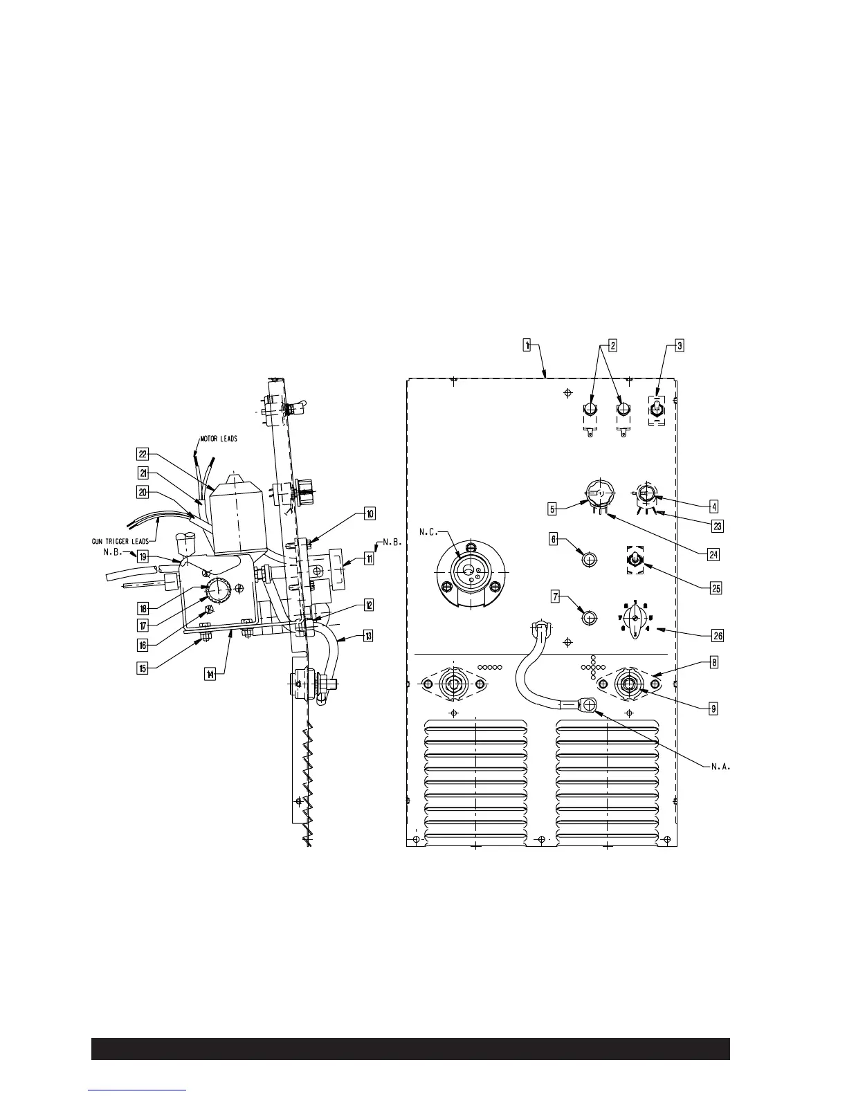
liquidarc Maxmig 210R - Control Panel Assembly

Default Icon
36 pages
Print Icon
To Next Page IconTo Next Page
To Next Page IconTo Next Page
To Previous Page IconTo Previous Page
To Previous Page IconTo Previous Page
Loading...
Page 18 Maxmig 210 IMA 578BLA
Ref: AL2537-4 (28.10.98)
Control Panel Assembly
Maxmig 210i
AP-82-D
Operative: 4.7.03
Supersedes: 28.10.98

Related product manuals