EasyManua.ls Logo

liquidarc Maxmig 210R - Wiring Diagram

Default Icon
36 pages
Print Icon
To Next Page IconTo Next Page
To Next Page IconTo Next Page
To Previous Page IconTo Previous Page
To Previous Page IconTo Previous Page
Loading...
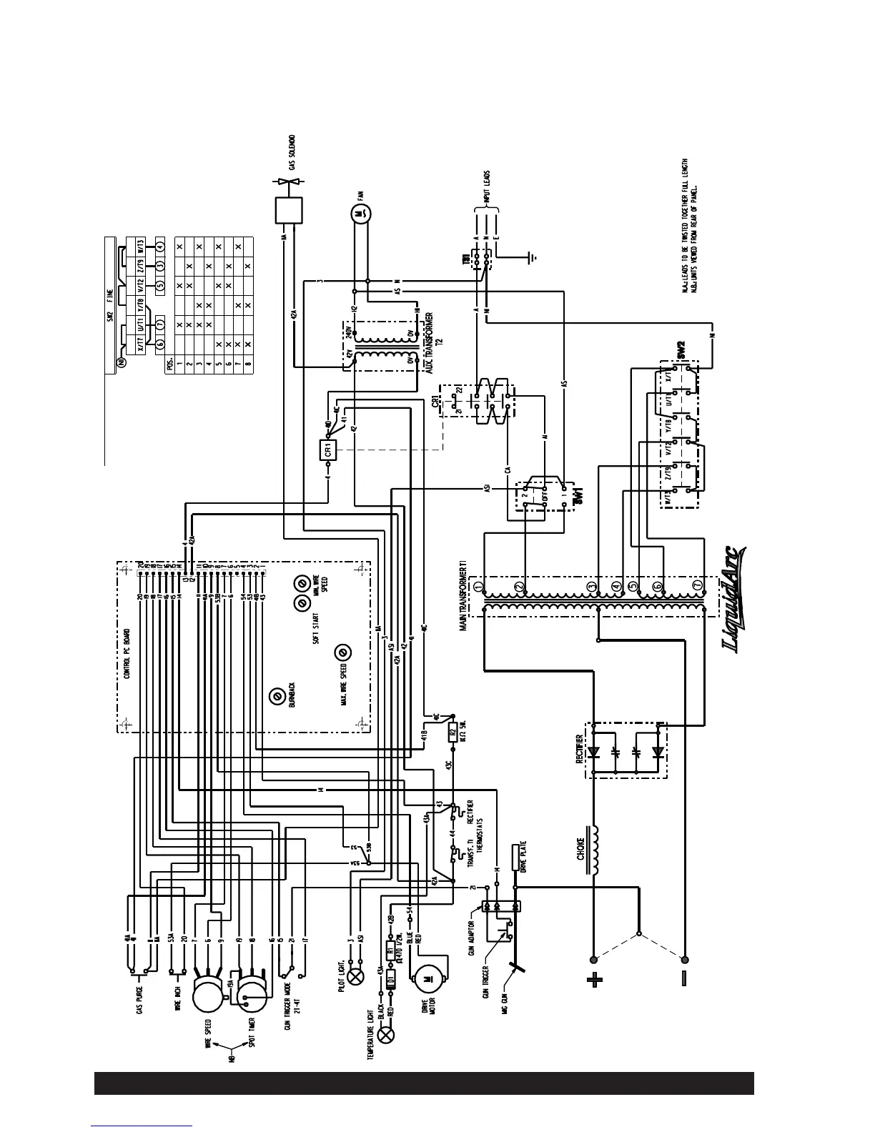
Page 20 Maxmig 210 IMA 578BLA
Ref: AL2597 (A23.10.96)
For Codes 1483 & 1539
Wiring Diagram
Maxmig 210i
AP-82-W
Operative: 4.7.03
Supersedes: 28.10.98

Related product manuals