EasyManua.ls Logo

LNTECH MC Series - Controller Specification; Peripheral Reflecting Surface Influence

LNTECH MC Series
12 pages
Print Icon
To Next Page IconTo Next Page
To Next Page IconTo Next Page
To Previous Page IconTo Previous Page
To Previous Page IconTo Previous Page
Loading...
6. Controller Specification
There are 4 kinds of controller as below for your options
SR4P2A1B24N SR4P2A1B24P SR4P3A1B24 ND controller,the
detailed usage and wiring in the corresponding instruction manual.
Please contact us for more information.
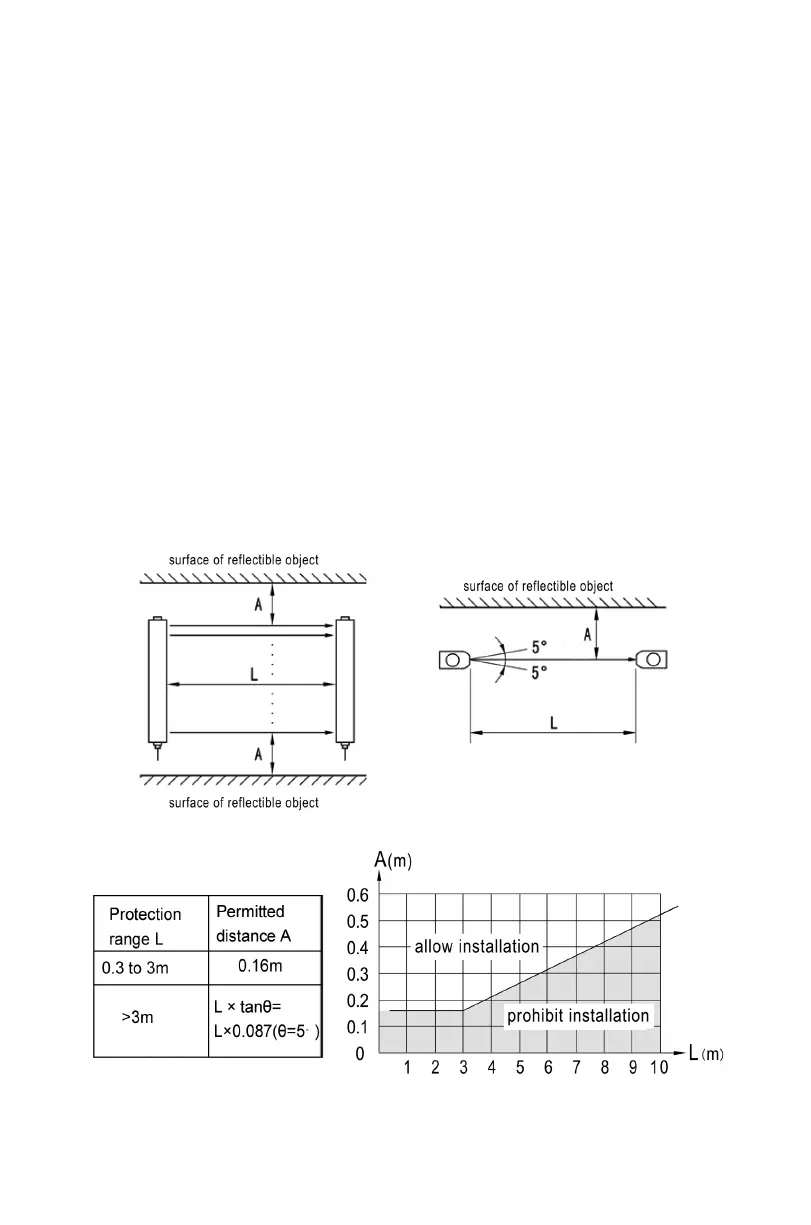
7. Peripheral Reflecting Surface Influence
If it has the smooth reflecting surface around the light curtain, like the
metal plate, the floor, the ceiling, the work piece, the cover, the partition
board, the glass plate and so on, the protector placement position must
be away from the reflecting surface farther than value
A
(m), value
A
can
be calculated by the formula in form, or be consulted from the
coordinates chart
The placement position schematic drawing of prevented the influence
from the reflecting surface around the light curtain
5

Related product manuals