EasyManua.ls Logo

Loewe Connect 22 SL - Page 29

Loewe Connect 22 SL
88 pages
Print Icon
To Next Page IconTo Next Page
To Next Page IconTo Next Page
To Previous Page IconTo Previous Page
To Previous Page IconTo Previous Page
Loading...
29
46
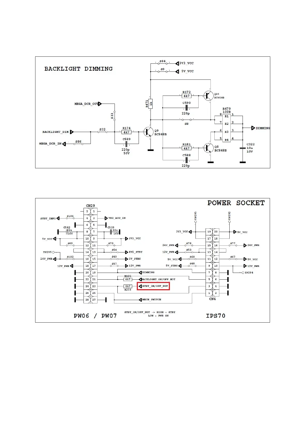
DIMMING pin should be HIGH or square wave in open position. If it is LOW, please check
S32 for BRCM side and panel or power cables, connectors.
STBY_ON/OFF_NOT should be HIGH for standby condition, please check R203.
46
DIMMING pin should be HIGH or square wave in open position. If it is LOW, please check
S32 for BRCM side and panel or power cables, connectors.
STBY_ON/OFF_NOT should be HIGH for standby condition, please check R203.