EasyManua.ls Logo

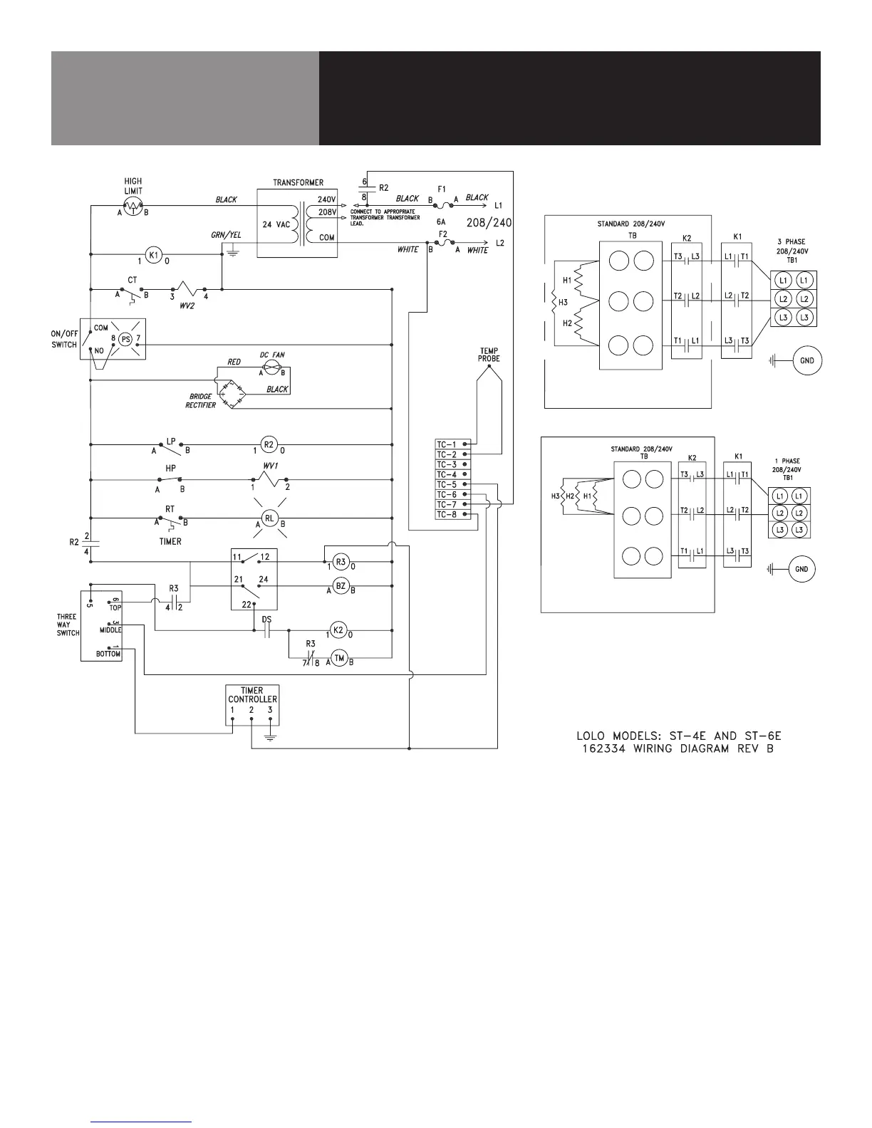
LoLo ST-4E - Wiring Diagram

LoLo ST-4E
26 pages
Print Icon
To Next Page IconTo Next Page
To Next Page IconTo Next Page
To Previous Page IconTo Previous Page
To Previous Page IconTo Previous Page
Loading...
OM-ST-4E/6E 25
Wiring Diagram