EasyManua.ls Logo

Lowara NSC - Page 54

Lowara NSC
60 pages
Print Icon
To Next Page IconTo Next Page
To Next Page IconTo Next Page
To Previous Page IconTo Previous Page
To Previous Page IconTo Previous Page
Loading...
21.
NSC_M0044_sc
32-125..-160..-200..-250
40-125..-160..- 200..-250
50-125..-160..- 200..-250
65-125..-160..- 200..-250
80-160..- 200..-250
50-315
65-315
80-315..-316..-400
100-160..-200..-250..-315..
-400
125-200..-250..-315..-400
150-200..-250-..315..-400
150-500
200-250..-315..-400..-500
250-315..-400..-500
300-350..-400..-450
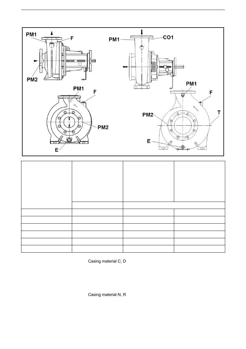
A A, B
E G 3/8" G 3/8" G 1/2"
PM1 G 1/4" *) G 1/4" G 1/2"
CO1 -- G 1/4" *) G 1/2" *)
PM2 G 1/4" *) G 1/4" *) G 1/2" *)
F G 3/8" G 3/8" --
T -- -- G 1/2" *)
A Materiale corpo pompa C, D • Casing material C, D • Matériau de corps C, D • Gehäusewerkstoff C, D •
Material de la carcasa C, D • Material da caixa C, D • Behuizing materiaal C, D • Kabinettets materiale C,
D • Husmateriale C, D • Pumphusmaterial C, D • Pesän materiaali C, D • Húsefni C, D • Kesta materjal
C, D • Apvalka materiāls C, D • Korpuso medžiaga C, D • Materiał obudowy C, D • Materiál skříně C, D •
Materiál skrine C, D • Ház anyaga C, D • Material carcasă C, D • Материал на корпуса C, D • Material
ohišja C, D • Materijal kućišta C, D • Materijal kućišta C, D • Υλικό για κέλυφος C, D • Gövde malzemesi
C, D • Материал корпуса C, D • Матеріал корпусу C, D •   C D
B Materiale corpo pompa N, R • Casing material N, R • Matériau de corps N, R • Gehäusewerkstoff N, R •
Material de la carcasa N, R • Material da caixa N, R • Behuizing materiaal N, R • Kabinettets materiale N,
R • Husmateriale N, R • Pumphusmaterial N, R • Pesän materiaali N, R • Húsefni N, R • Kesta materjal
N, R • Apvalka materiāls N, R • Korpuso medžiaga N, R • Materiał obudowy N, R • Materiál skříně N, R •
Materiál skrine N, R • Ház anyaga N, R • Material carcasă N, R • Материал на корпуса N, R • Material
ohišja N, R • Materijal kućišta N, R • Materijal kućišta N, R • Υλικό για κέλυφος N, R • Gövde malzemesi
N, R • Материал корпуса N, R • Матеріал корпусу N, R •   N, R
it en fr de es pt nl da no sv fi is et lv lt pl cs sk hu ro bg sl hr sr el tr ru uk ar
405