EasyManua.ls Logo

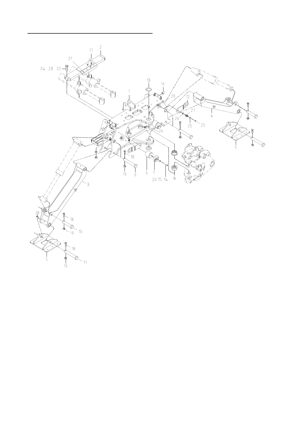
LS tractor K5047 - Mainframe Assembly

LS tractor K5047
63 pages
Print Icon
To Next Page IconTo Next Page
To Next Page IconTo Next Page
To Previous Page IconTo Previous Page
To Previous Page IconTo Previous Page
Loading...
MAINFRAME ASSEMBLY
- 41 -

Related product manuals