EasyManua.ls Logo

LS tractor LB2100 - Xr3032;Xr3032 H;Xr3037;Xr3037 H

LS tractor LB2100
104 pages
Print Icon
To Next Page IconTo Next Page
To Next Page IconTo Next Page
To Previous Page IconTo Previous Page
To Previous Page IconTo Previous Page
Loading...
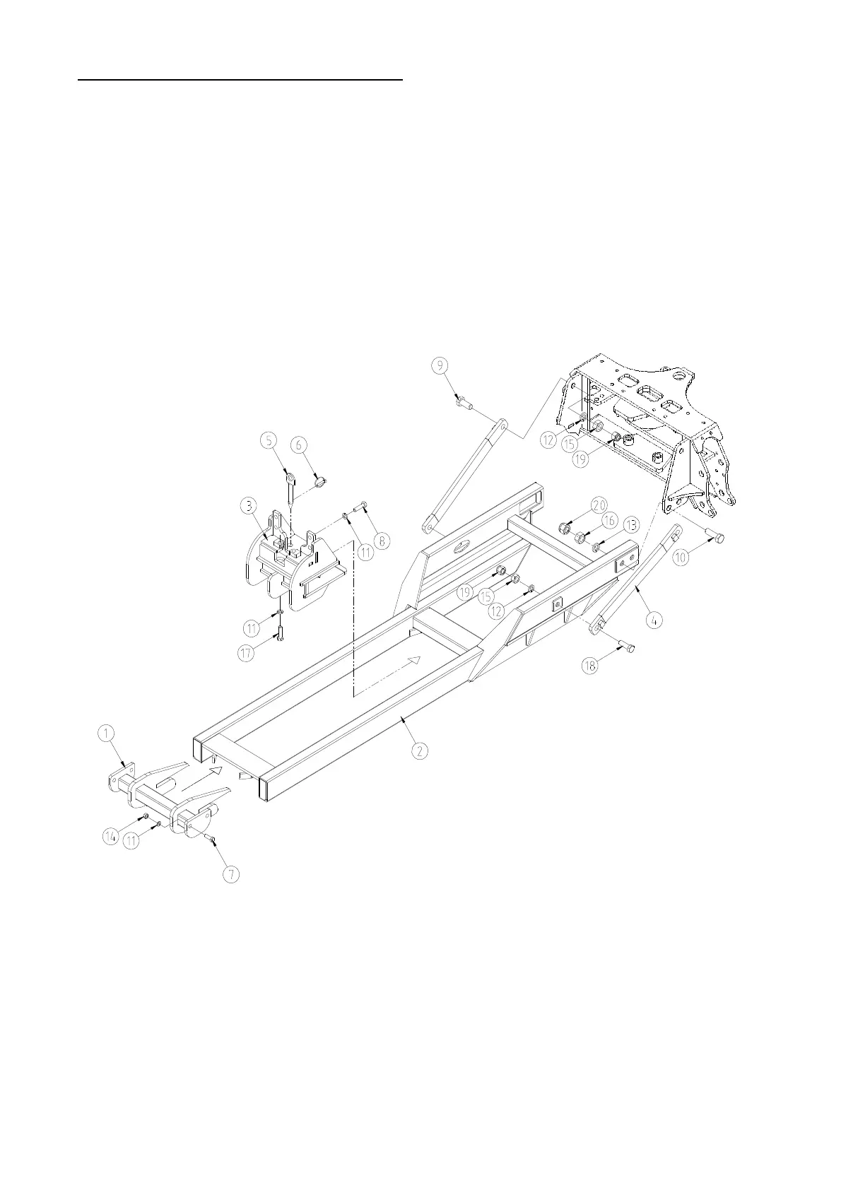
IMBH10. SUBFRAME
- XR3032/XR3032H/XR3037/XR3037H
- 48 -

Related product manuals