EasyManua.ls Logo

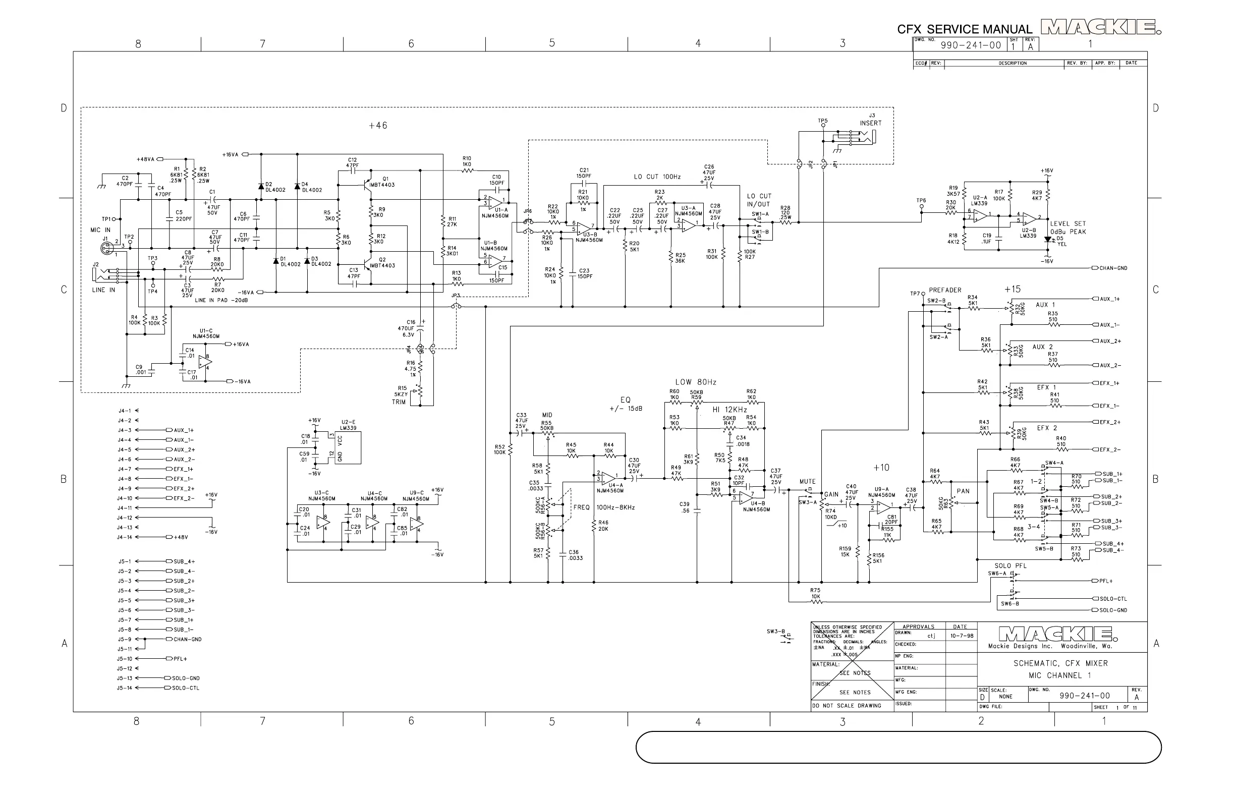
Mackie CFX20 - Master Board Schematics

Mackie CFX20
125 pages
Print Icon
To Next Page IconTo Next Page
To Next Page IconTo Next Page
To Previous Page IconTo Previous Page
To Previous Page IconTo Previous Page
Loading...
©1999 Mackie Designs Inc. All rights reserved
MASTER BOARD 241 REV A
241-1

Related product manuals