EasyManua.ls Logo

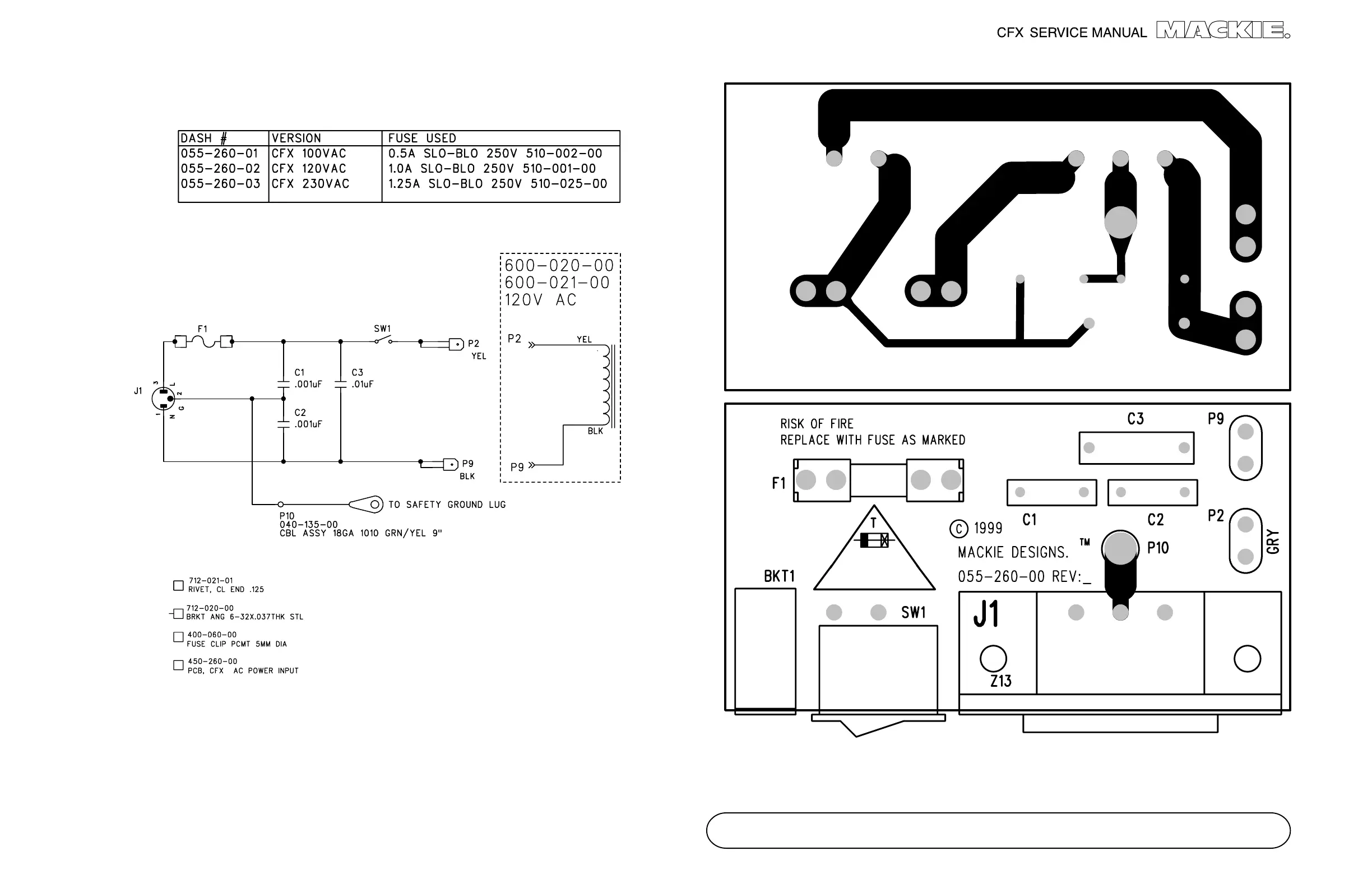
Mackie CFX20 - AC Power Supply Schematics

Mackie CFX20
125 pages
Print Icon
To Next Page IconTo Next Page
To Next Page IconTo Next Page
To Previous Page IconTo Previous Page
To Previous Page IconTo Previous Page
Loading...
©1999 Mackie Designs Inc. All rights reserved
AC POWER SUPPLY 260 REV A
260-1
Bottom of board
Top of board

Related product manuals