EasyManua.ls Logo

Mackie DRM315 - Page 7

Mackie DRM315
28 pages
Print Icon
To Next Page IconTo Next Page
To Next Page IconTo Next Page
To Previous Page IconTo Previous Page
To Previous Page IconTo Previous Page
Loading...
Owners Manual
7
Owners Manual
DJ System
PUSH FOR SETTINGS
50-60 Hz 110W
100-240VAC
SPEAKER CONTROL
INPUT
DIRECT OUT
INPUT
DIRECT OUT
HIGH-PASS OUT HIGH-PASS OUT
PUSH FOR SETTINGS
50-60 Hz 110W
100-240VAC
SPEAKER CONTROL
INPUT
DIRECT OUT
INPUT
DIRECT OUT
HIGH-PASS OUT HIGH-PASS OUT
PUSH FOR SETTINGS
MAXOFF
MIX OUTDIRECT OUTDIRECT OUT
INPUT INPUT
SPEAKER CONTROL
GAIN GAIN
INPUT
GAIN
LINE
MIC
U
+50dBOFF
LINE
MIC
+50dBOFF
U
PUSH FOR SETTINGS
MAXOFF
MIX OUTDIRECT OUTDIRECT OUT
INPUT INPUT
SPEAKER CONTROL
GAIN GAIN
INPUT
GAIN
LINE
MIC
U
+50dBOFF
LINE
MIC
+50dBOFF
U
PUSH FOR SETTINGS
SPEAKER CONTROL
SUBWOOFER HPF
DRM SUB
VAROFF
DRM
SUB
PUSH FOR SETTINGS
SPEAKER CONTROL
CLUB
SPEAKER VOICING
SPEECH
LIVE
MON
CLUB
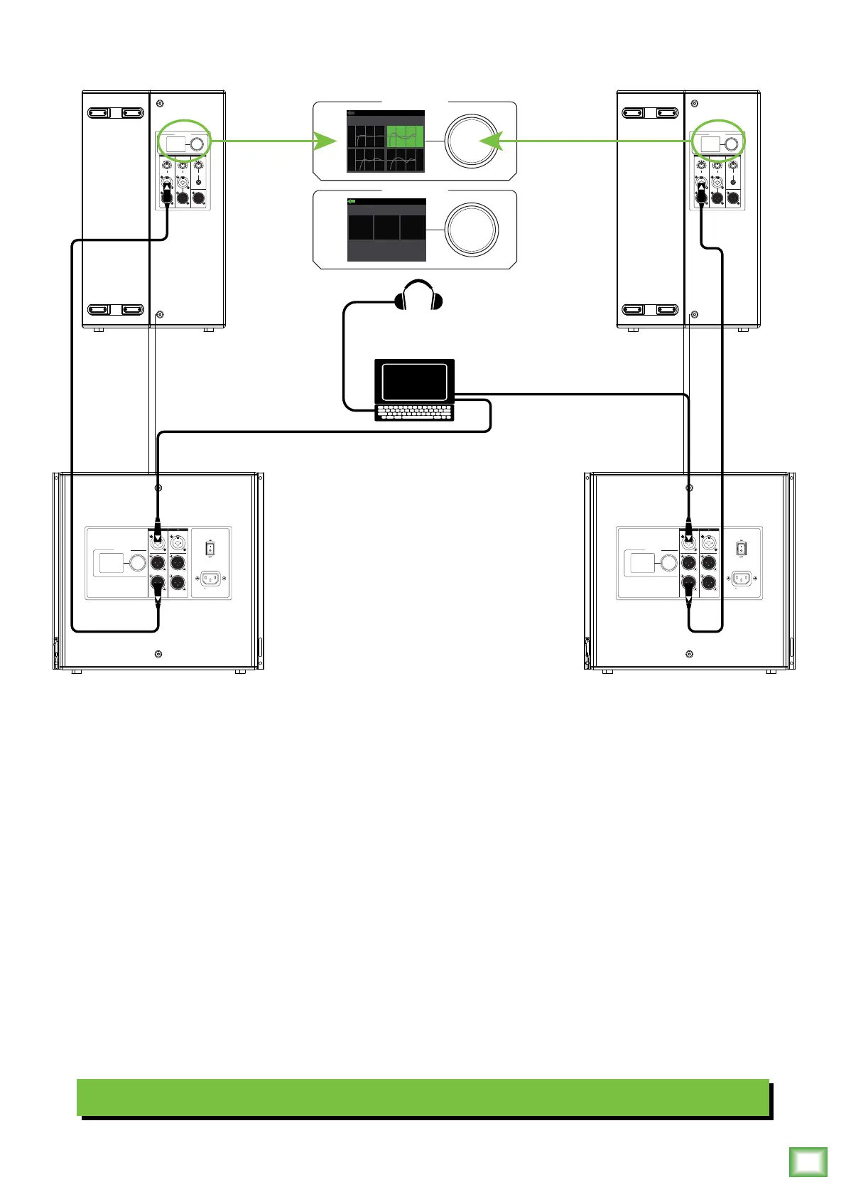
Hookup Diagrams continued...
Perhaps you’re a DJ playing bumpin’ tunes in the middle of the night to a crowd thats groovin’ and dancin’
to your fine selection.
In this example, a laptop is connected to the inputs of two DRM8S subwoofers with the X-Over set to DRM Top.
The High-Pass Out of each subwoofer is then connected to the input of each DRM22 loudspeaker.
Additionally, a set of Mackie MC-250 headphones is connected to the phones jack of the laptop.
The Speaker Modes of both loudspeakers may be set to Club and the Subwoofer HPF set to DRM Sub.

Related product manuals