EasyManua.ls Logo

Mackie SRM1550 - System Block Diagram; Internal Signal Flow and Processing

Mackie SRM1550
20 pages
Print Icon
To Next Page IconTo Next Page
To Next Page IconTo Next Page
To Previous Page IconTo Previous Page
To Previous Page IconTo Previous Page
Loading...
Owner’s Manual
17
Owner’s Manual
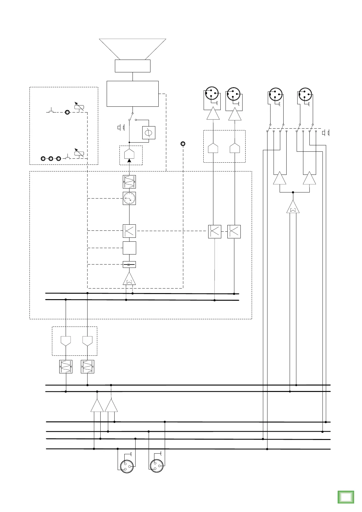
SRM1550 Block Diagram
A
ADC
DAC
DAC
DAC
DAC
B
A
B
ADC
A
B
A B
ADC
+ A - + B -
XOver
XOver
XOver
A B
+
-
+
-
Limit
Limit
Mono
Stereo
USER CONTROLS
DAC
AMP STATUS
Invert
Normal
Polarity
Invert
Delay
FREQ
LEVEL
MODE
LIMIT
SRM350
SRM450
VARIABLE
LED
ON / OFF
FRONT PANEL LED
HIGH PASS OUTPUTS
FULL RANGE OUTPUTS
DUAL
CHANNEL
AMP
MAINHIGH PASS
INPUTS
HARDWIRE BUS ANALOG BUS DIGITAL BUS
DSP
LEVEL
DETECT
Smart
Protect
Level
High Definition Audio Processing

Related product manuals