EasyManua.ls Logo

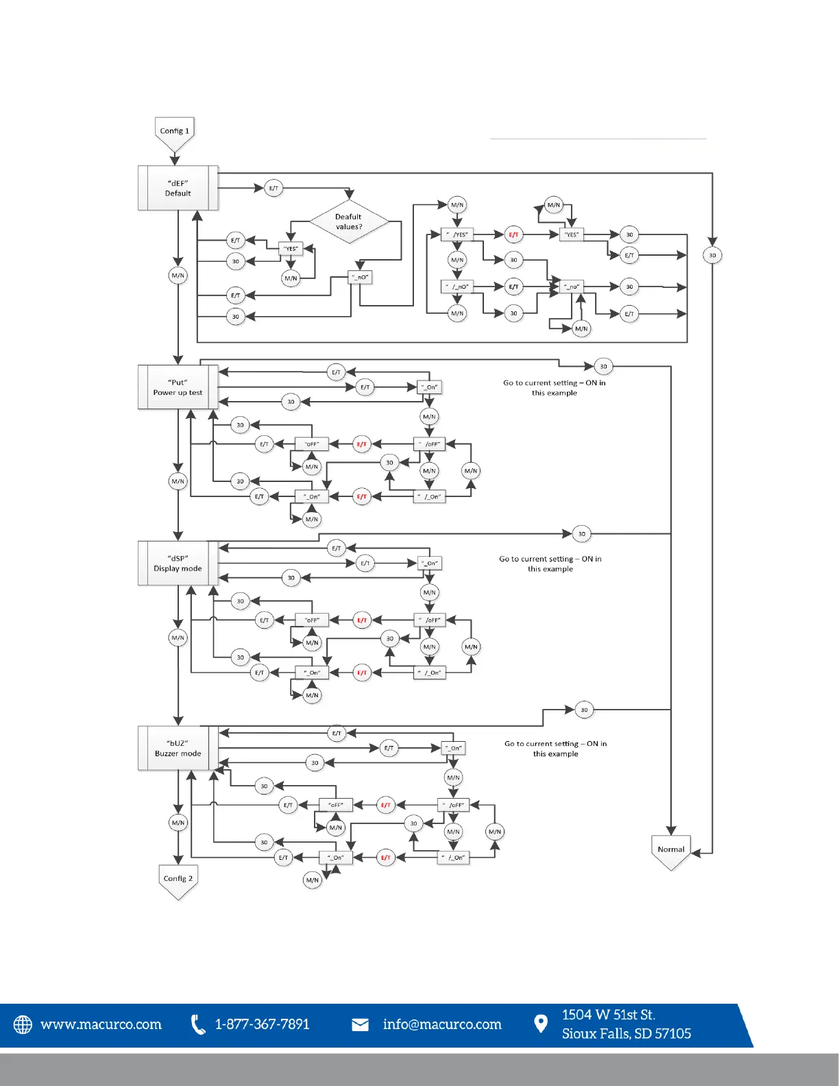
Macurco CM-6 - Configuration Menu (CON); Default Configuration Flow; Power Up Test Configuration Flow; Display Mode Configuration Flow

Macurco CM-6
43 pages
Print Icon
To Next Page IconTo Next Page
To Next Page IconTo Next Page
To Previous Page IconTo Previous Page
To Previous Page IconTo Previous Page
Loading...
Macurco CM-xx Operation Manual
REV 1.2.1 [34-2900-0511-6 ] 34 | Page
Configuration Menu “CON”

Table of Contents