EasyManua.ls Logo

Macurco CM-6 - Sensor Reset Menu (SEn); Reset CO Sensor Expiry

Macurco CM-6
43 pages
Print Icon
To Next Page IconTo Next Page
To Next Page IconTo Next Page
To Previous Page IconTo Previous Page
To Previous Page IconTo Previous Page
Loading...
Macurco CM-xx Operation Manual
REV 1.2.1 [34-2900-0511-6 ] 42 | Page
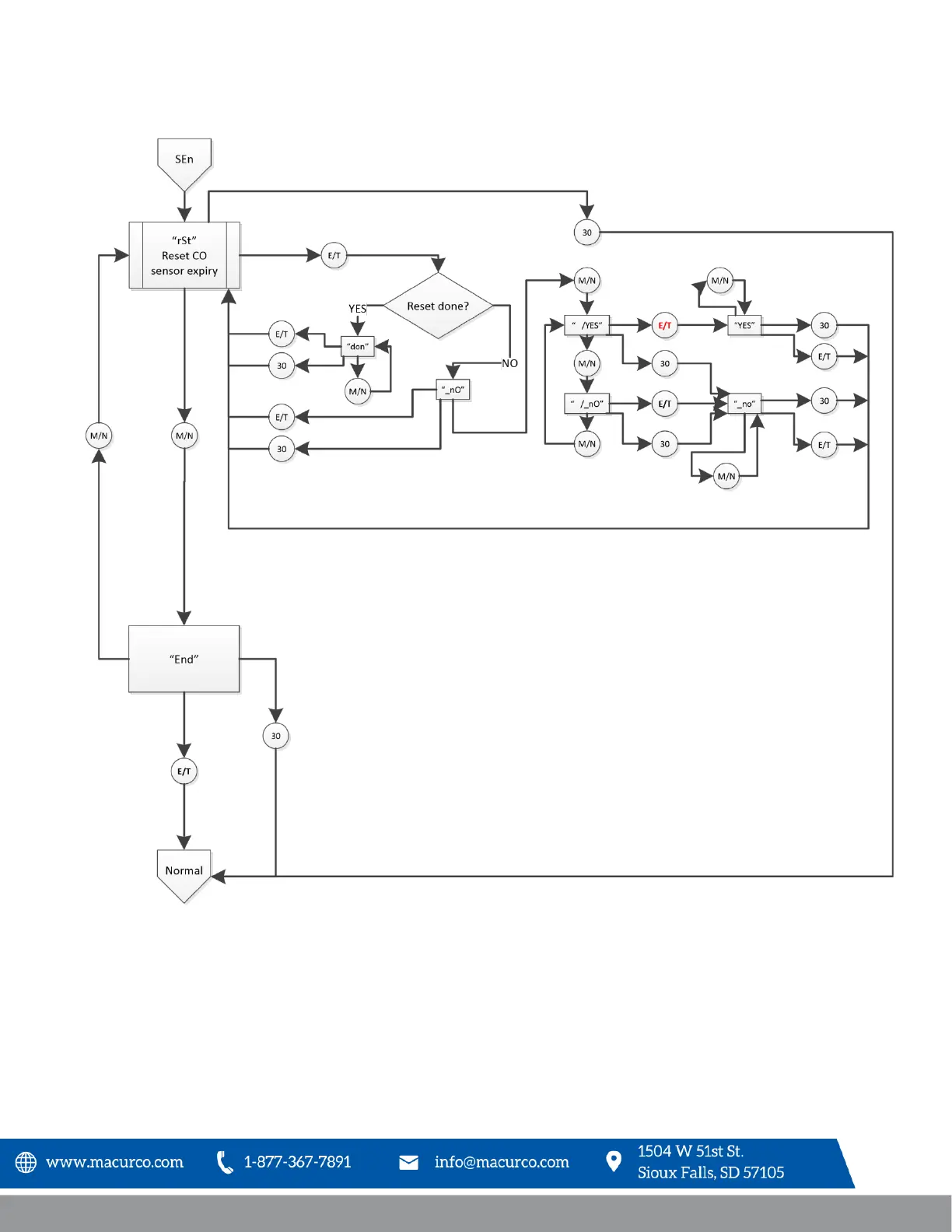
9.5 Sensor Reset Menu “SEn”

Table of Contents