EasyManua.ls Logo

Macurco CM-6 - 12-Series Line Voltage Installation

Macurco CM-6
43 pages
Print Icon
To Next Page IconTo Next Page
To Next Page IconTo Next Page
To Previous Page IconTo Previous Page
To Previous Page IconTo Previous Page
Loading...
Macurco CM-xx Operation Manual
REV 1.2.1 [34-2900-0511-6 ] 12 | Page
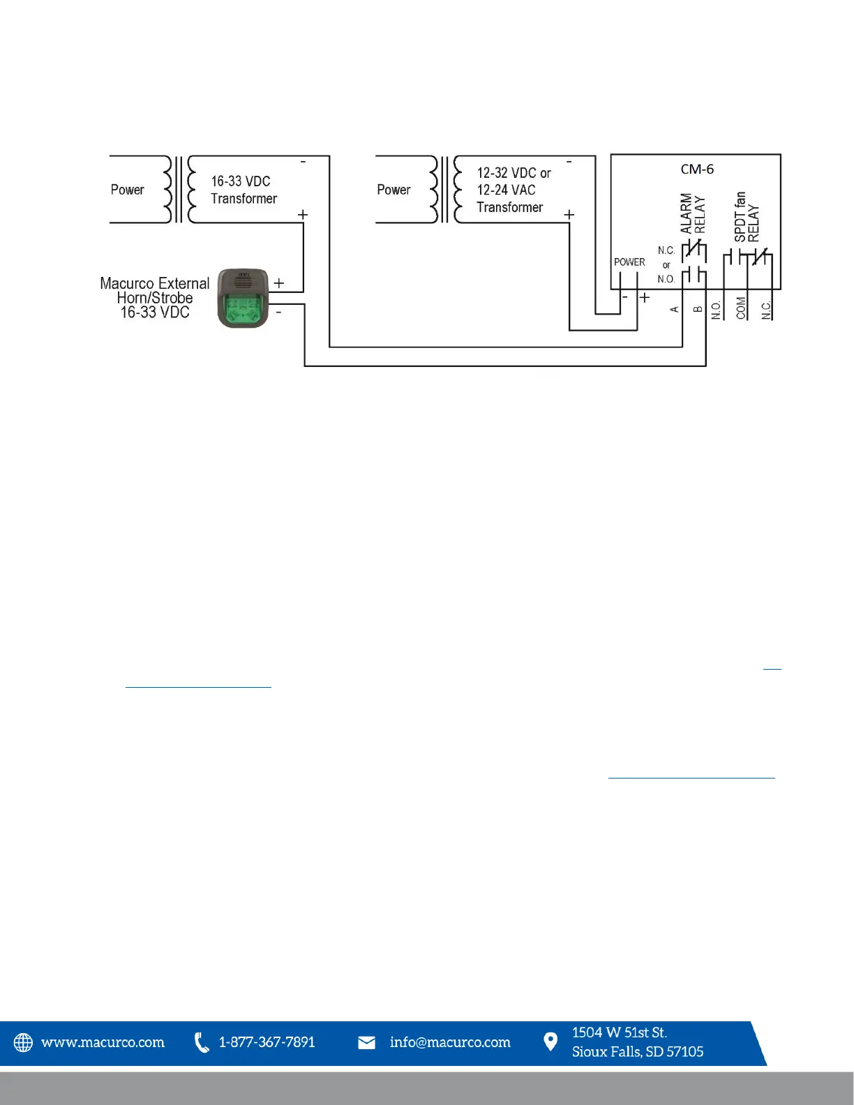
Figure 3-8 6-Series Horn & Strobe Combo Wiring
Macurco External Horn/Strobe model number is 78-2900-0211-X, where X represents lens color, R for red lens cover, G for
green lens cover, B for blue lens cover, O for amber lens cover, C for clear lens cover. Sound pressure for Horn/Strobe model is
at least 85dB at 10 feet.
NOTE: The final installation of CM-xx system, including secondary wiring from controller to sensors shall comply with
requirements of “Class 1” in approved raceways or conduits.
3.2.2 12-Series Line Voltage
1. The CM-12 mounts on a 4” square (or 4x4) electrical box supplied by the contractor. Do not mount the CM-12 inside
another box, unless it has good air flow through it.
2. There are two terminals for the dry alarm relay contacts, again with no polarity preference. The alarm relay can switch
up to 0.5 A 120 V, or 60 VA. The alarm relay is activated if gas reaches or exceeds the alarm settings. See section 4.5
Default Factory Settings of this user manual for details on relay settings.
3. The alarm relay can be configured to normally open (default) (N.O.) or normally closed (N.C.) and will activate if the gas
concentration exceeds alarm set point. It will deactivate once the gas concentration drops below the alarm set point.
Note that the “disable” setting will cause the alarm relay not to engage at all.
4. The dry contact, SPDT fan relay has three terminals. The common (COM.), normally open (N.O.) and the normally
closed (N.C.) contact. The fan relay can switch up to 5.0 A up to 240 VAC. See section 4.5 Default Factory Settings of
this user manual for details on relay settings.
5. The Fan Relay can be configured for latching or non-latching (default) when activated (when the gas concentration
exceeds fan relay set point). Once latched in, power will need to be interrupted or the “TEST” button pressed to un-
latch the relay condition.
6. The Fan Relay will engage if the fan setting Carbon Monoxide concentration is exceeded for longer than the Fan Relay
Delay time. Unless it is configured for latching, the fan relay will disengage once both of these conditions have been
met:
Carbon Monoxide concentration has dropped below fan setting
Fan Relay Run time has been exceeded
Note that the “disable” fan setting will cause the fan relay to not engage. The fan relay will engage in trouble fault
condition (if the Trouble Fan Setting Option is set to “ON”) and will disengage once trouble fault condition is cleared.

Table of Contents