EasyManua.ls Logo

Madas MTC10 - Page 10

Madas MTC10
Print Icon
To Next Page IconTo Next Page
To Next Page IconTo Next Page
To Previous Page IconTo Previous Page
To Previous Page IconTo Previous Page
Loading...
ES FR EN
IT
10
Madas Technical Manual - 9|9.4 - REV. 0 of 8
th
Feb 2019MTC10
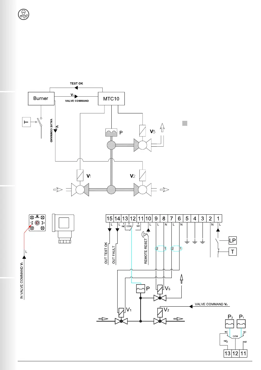
5.2 - CONFIGURAZIONE EVA (utilizzo elettrovalvola automatica ausiliaria N.A.)
L’MTC10 comanda le valvole V1 e V5.
Il Burner Control comanda la valvola V2.
Prima dell’avvio del bruciatore si eseguono i seguenti controlli:
1. Tenuta V1
2. Tenuta V2 e V5
Durante il test, la valvola V5 scarica il gas all’esterno in luogo sicuro. Superato il test, il dispositivo rimane in attesa del
segnale fornito dal Burner Control. Ricevuto il segnale, sul connettore comando valvole, apre V1 (V5 è mantenuta chiusa). Il
Burner Control apre V2.
V1: Elettrovalvola di sicurezza N.C.
V2: Elettrovalvola di lavoro N.C.
V5: Valvola ausiliaria N.A.
P: Pressostato
T: Termostato
LP: Pressostato di minima
: Volume di prova
P
1
: Pressostato bassa pressione
P
2
: Pressostato alta pressione
Comando Valvole Collegamenti elettrici