EasyManua.ls Logo

Madas MTC10 - Page 24

Madas MTC10
Print Icon
To Next Page IconTo Next Page
To Next Page IconTo Next Page
To Previous Page IconTo Previous Page
To Previous Page IconTo Previous Page
Loading...
ES FR
EN
IT
24
Madas Technical Manual - 9|9.4 - REV. 0 of 8
th
Feb 2019MTC10
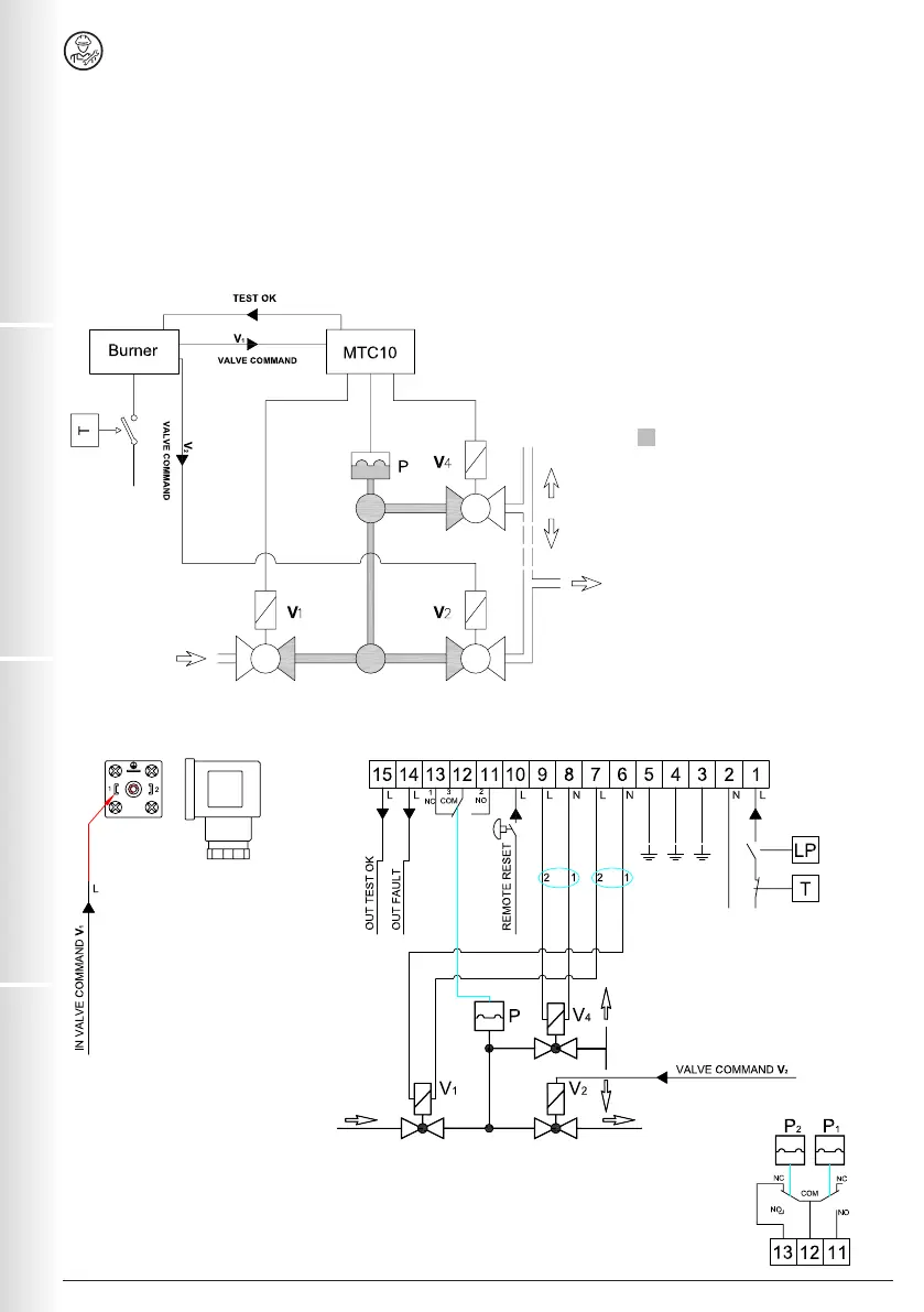
5.3 - EVP CONFIGURATION (using the NC auxiliary automatic solenoid valve)
The MTC10 controls valves V1 and V4.
The Burner Control controls valve V2.
The following checks are performed before starting the burner:
1. Leak test V1
2. Leak test V2 and V4
During the test, valve V4 discharges the gas to the outside in a safe place. After the test, the device waits for the signal
provided by the Burner Control. Once the signal is received, V1 on the valve control connector is opened (V4 is kept closed).
The Burner Control opens V2.
V1: NC safety solenoid valve
V2: NC work solenoid valve
V4: NC auxiliary valve
P: Pressure switch
T: Thermostat
LP: Minimum pressure switch
: Test volume
P
1
: Low pressure switch
P
2
: High pressure switch
Valve Control Electrical connections