EasyManua.ls Logo

Madas MTC10 - Page 33

Madas MTC10
Print Icon
To Next Page IconTo Next Page
To Next Page IconTo Next Page
To Previous Page IconTo Previous Page
To Previous Page IconTo Previous Page
Loading...
IT EN
FR
ES
33
Madas Technical Manual - 9|9.4 - REV. 0 of 8
th
Feb 2019 MTC10
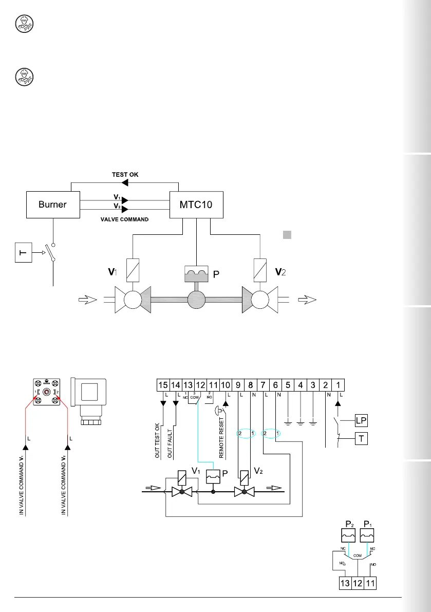
5.0  CONFIGURATION
Ci-dessous, quelques exemples des installations les plus courantes:
5.1 - CONFIGURATION STANDARD -STD-
L'MTC10 commande les vannes V1 et V2.
Avant le démarrage du brûleur, il faut effectuer les contrôles suivants:
1. Étanchéité V1
2. Étanchéité V2
Après le test, le dispositif attend le signal fourni par le Burner Control. Une fois le signal reçu, sur le connecteur de
commande des vannes, il ouvre V1 et V2.
EXEMPLE N° 1
Commande Vannes Branchements électriques
V1: Électrovanne de sécurité N.C.
V2: Électrovanne de travail N.C.
P: Pressostat
T: Thermostat
LP: Pressostat de minimum
: Volume d’essai
P
1
: Pressostat basse pression
P
2
: Pressostat haute pression