EasyManua.ls Logo

Madas MTC10 - Page 47

Madas MTC10
Print Icon
To Next Page IconTo Next Page
To Next Page IconTo Next Page
To Previous Page IconTo Previous Page
To Previous Page IconTo Previous Page
Loading...
IT EN FR
ES
47
Madas Technical Manual - 9|9.4 - REV. 0 of 8
th
Feb 2019 MTC10
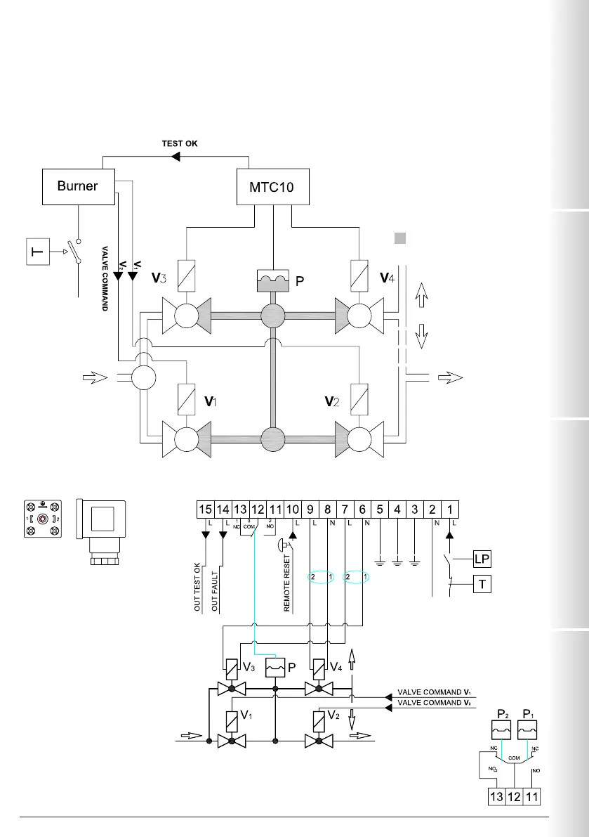
EJEMPLO N.° 2
V1: Electroválvula de seguridad N.C.
V2: Electroválvula de trabajo N.C.
V3: Válvula auxiliar N.C.
V4: Válvula auxiliar N.C.
P: Presostato
T: Termostato
LP: Presostato de mínima
: Volumen de prueba
P
1
: Presostato de baja presión
P
2
: Presostato de alta presión
Mando de válvulas Conexiones eléctricas
En el siguiente esquema, el control de estanqueidad se realiza usando 2 válvulas auxiliares.
La MTC10 controla las válvulas V3 y V4. El Burner Control controla las válvulas V1 y V2.
Antes de la puesta en marcha del quemador se realizan los siguientes controles:
1. Estanqueidad V1 y V3
2. Estanqueidad V2 y V4
Durante el test, el gas se puede descargar en cámara de combustión, o si no es posible, ha de ser liberado hacia el exterior
y en un ambiente seguro. Cuando el resultado del test es positivo el Burner Control abre V1 y V2.