EasyManua.ls Logo

Magic 105 - Page 32

Magic 105
Print Icon
To Next Page IconTo Next Page
To Next Page IconTo Next Page
To Previous Page IconTo Previous Page
To Previous Page IconTo Previous Page
Loading...
32
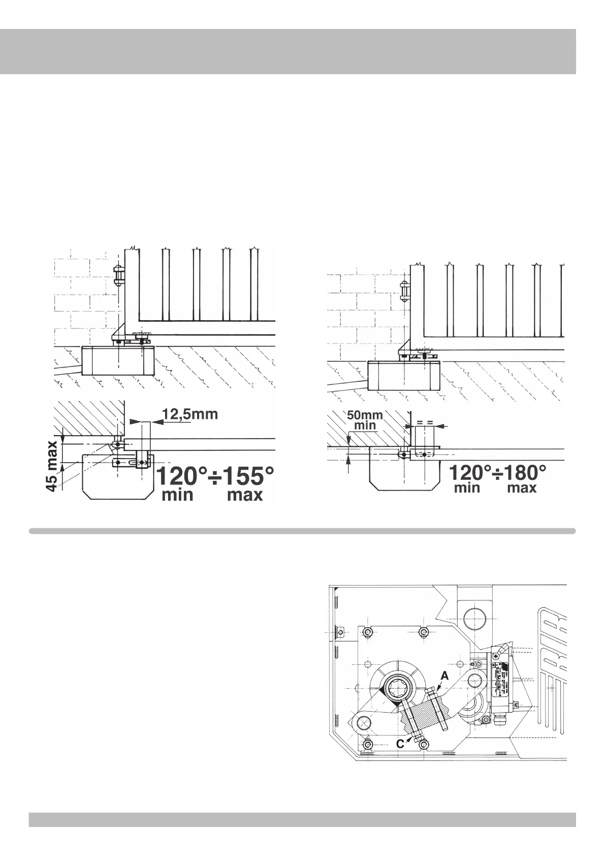
EINSTELLUNG MECHANISCHE ENDANSCHLÄGE MAGIC 105°
Mit einem MAGIC-Antrieb erübrigen sich Anschläge im Boden o.ä., da er über interne,
regulierbare Endlagenschrauben zur Begrenzung der Torbewegung verfügt.
Für den Zugang zu den Schrauben die Abdeckung abnehmen.
- Die gewünschte Toröffnung über Ein- bzw. Abdrehen der entsprechenden Endlagenschraube
(A) einstellen. Anschließend die Position durch Arretieren der Gegenmutter fixieren (Abb.
11). Die Schließbewegung über die Schraube (C) regulieren.
11
INSTALLATION MAGIC 180°
MAGIC 180° kann sowohl auf die rechte als auch auf die linke Torseite montiert werden.
Abgesehen von nachstehenden Punkten wird diese Version entsprechend Version 105°
installiert:
- Beim Einmauern keinen Zement in das Gehäuse eindringen lassen. Die kürzeren
Gehäuseseiten müssen genau senkrecht zum “GESCHLOSSENEN” Tor sein.
Für den Anschluß zwischen Tor und Zughebel siehe Abb. 9-10.
N.B.: Für bereits bestehende Tore mit bodenseitiger Trägerstruktur, kann die tragende
Funktion bei der Installation vom Motor übernommen werden (siehe Installation Abb.
10).
- Setzen Sie die Schrauben zur Befestigung der Abdeckung an Orten, in das Fundament Fall
geschnitten.
ABB. 9 - ZUGHEBEL TORÖFFNUNG BIS ZU 155°
A - NICHT VERWENDEN
B - Mit dem Stift an das Tor schweißen (vgl. Abb. 9).
ABB. 10 - ZUGHEBEL TORÖFFNUNG BIS ZU 180°
A - Nur verwenden, wenn das Torgewicht auf dem Motor lastet. N.B.: Nicht mit tragenden
Scharnieren verwenden.
B - Mit dem Stift an das Tor schweißen (vgl. Abb. 10).
9 10
D