EasyManua.ls Logo

Main Eco Compact System 15 - Page 39

Main Eco Compact System 15
68 pages
Print Icon
To Next Page IconTo Next Page
To Next Page IconTo Next Page
To Previous Page IconTo Previous Page
To Previous Page IconTo Previous Page
Loading...
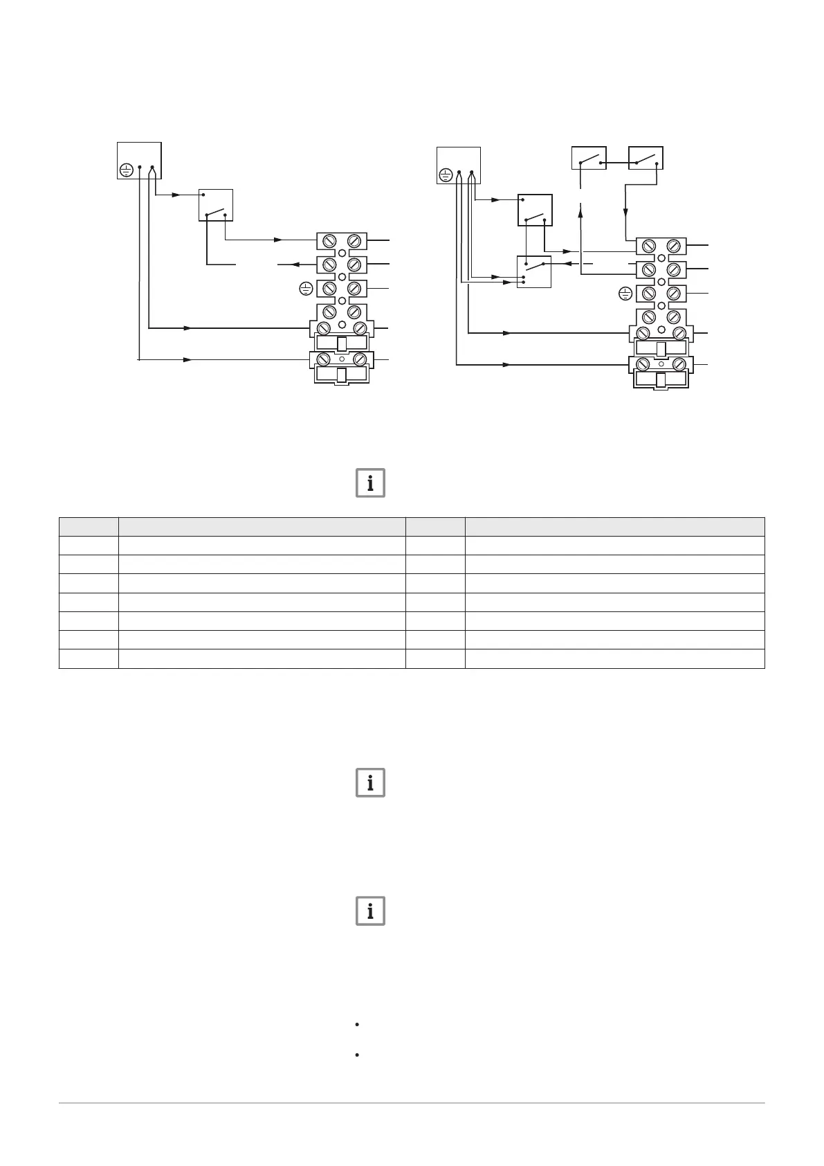
5. Connect the earth, permanent live and neutral wires to the terminal
block.
Important
Both the permanent live and neutral connections are fused.
Key Description Key Description
A Fused Spur b Blue
B Room Thermostat bk Black
C External Clock br Brown
D Frost Thermostat g/y Green/Yellow
F Pipe Thermostat E Earth
G Mains Terminal Block M1 N Neutral
H Low Voltage Terminal Block M2 L Live
6. Refer to the instructions supplied with the external control(s).
7. Remove the link between terminals 1 and 2.
8. The 230V supply at terminal 2 must be connected to the thermostat.
9. The switched output from the thermostat must be connect to terminal
1.
Important
The 230V switched signal for external controls (frost thermostat —
room thermostat — timer) must always be taken from terminal 2 at
the boiler. Live, Neutral and Earth to power these controls must be
taken from the Fused Spur.
10. Reclip the terminal block cover back into position and hinge back the
control box.
Important
When an OpenTherm controller is connected adjustment of the
boiler, e.g. heating temperature, is made using the OpenTherm
controller rather than the boiler controls. The boiler controls are
overridden by the OpenTherm control. Please check the
functionality with the manufacturer of the OpenTherm controller.
Preliminary electrical checks
Prior to commissioning the boiler preliminary electrical system checks
should be carried out.
These should be performed using a suitable meter, and include checks
for Earth Continuity, Resistance to Eart, Short Circuit and Polarity.
Fig.34 Typical electrical connections
PN-0000396
b
br
b
bk
g/y
1
N
L
2
N
N
L
230V
230V
b
b
r
b
bk
g/y
1
N
L
2
N
N
LE
230V
E
E
E
A
B
A
B
C
D
F
G
G
6 Installation
39

Table of Contents

Related product manuals