EasyManua.ls Logo

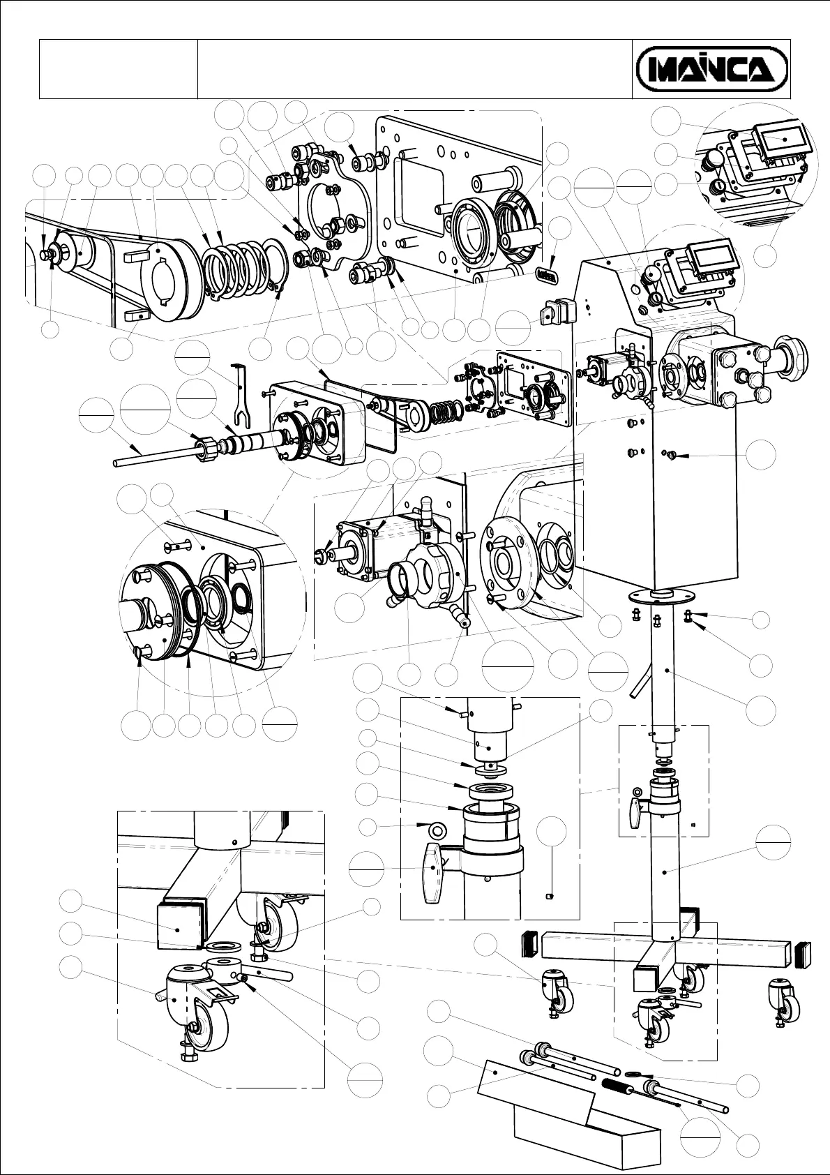
Mainca PR-360 - Exploded Views; Main Assembly Diagram

Default Icon
Print Icon
To Next Page IconTo Next Page
To Next Page IconTo Next Page
To Previous Page IconTo Previous Page
To Previous Page IconTo Previous Page
Loading...
06-2016
01 EXPLOSIONADOPR-360
5
86
51
B
28
37
73
10
L
26
50
123
66
P
N
J
47
72
84
E
4
106
A
26
27
45
130
46
133 K
49
57
36
125
42
77
25
126
S
119
58 69 70103 94
102
47
T
65
95
32
19
91
76
44
132
83
100
43
131 Q
127
115
110
107
4
112
8
116
55
69
85
70
6
54
7
59
29
7560 12
7523
8
2
112
124
5
20
15
16
1
35
52
C
127
117
99
80
48

Related product manuals