EasyManua.ls Logo

Manaras Opera MGT - Single Phase Wiring Diagram

Manaras Opera MGT
44 pages
Print Icon
To Next Page IconTo Next Page
To Next Page IconTo Next Page
To Previous Page IconTo Previous Page
To Previous Page IconTo Previous Page
Loading...
38
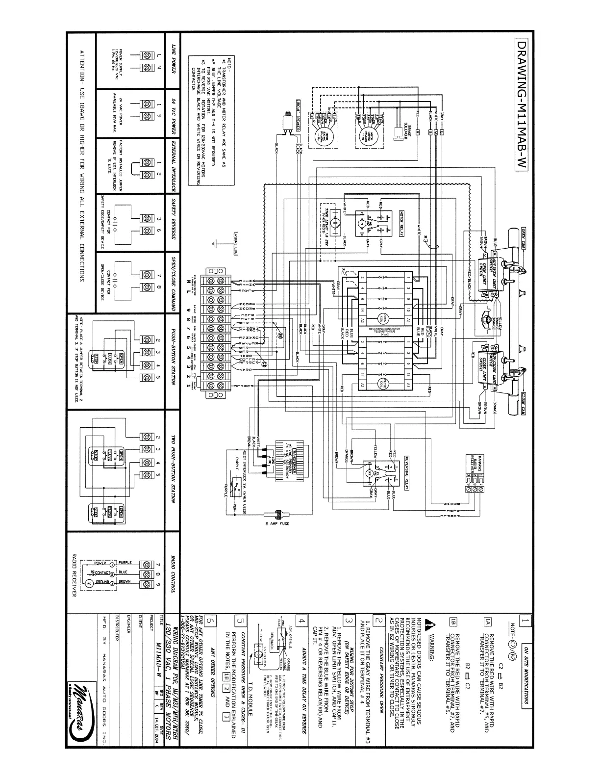
9.6 Single phase hardwired wiring diagram

Related product manuals