EasyManua.ls Logo

Manaras OPH - Operator Specifications

Default Icon
48 pages
Print Icon
To Next Page IconTo Next Page
To Next Page IconTo Next Page
To Previous Page IconTo Previous Page
To Previous Page IconTo Previous Page
Loading...
4
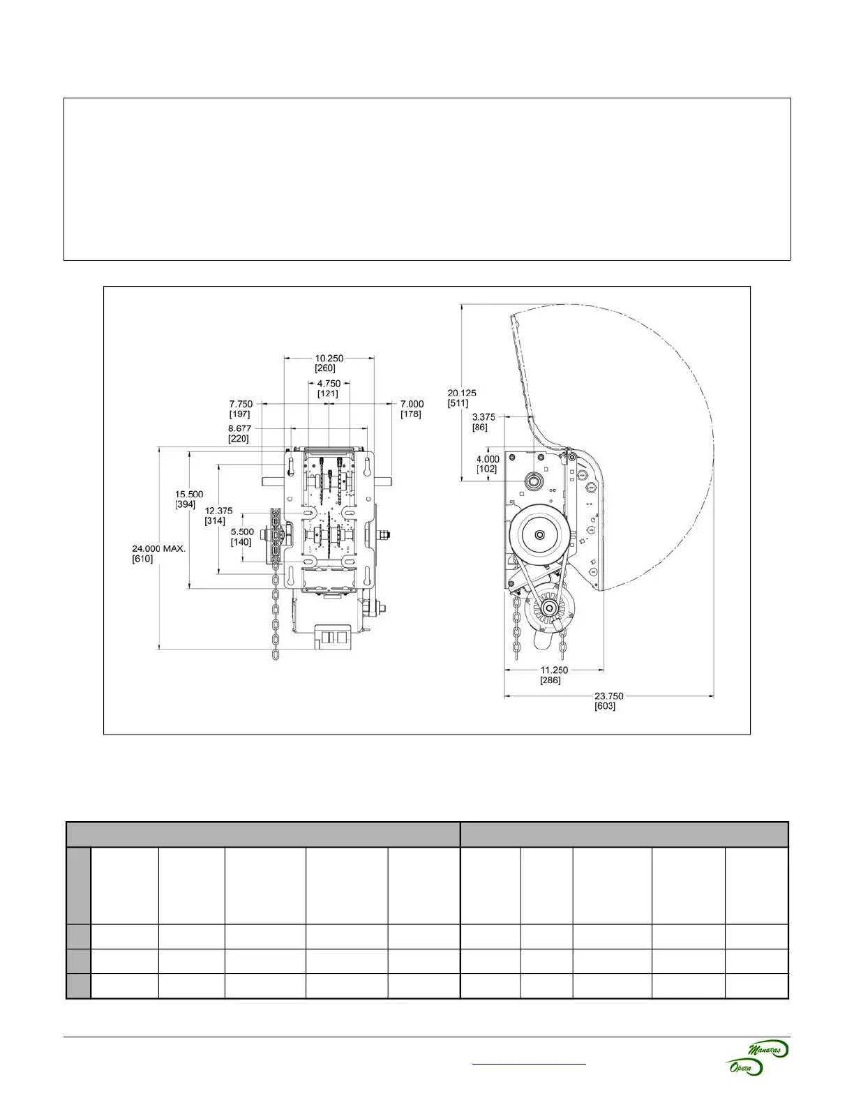
1 General Specifications and Dimensions (OPH / OPJ / OHJ)
SUPPLY VOLTAGE...............................115, 230 VAC single-phase, 208, 460, 575 VAC three-phase
CONTROL VOLTAGE............................24 VAC class 2 transformer, 2 amp fuse type ACG
MOTOR.................................................Continuous duty 1/2, 3/4, 1 horsepower
OPERATOR OUTPUT SPEED..............41 RPM
NET WEIGHT (Operator only)...............86 Lbs (39 Kg) for 1/2HP 115V Opera-H model
STANDARD WIRING TYPE..................C2 (momentary contact to open/stop and constant-pressure-to-close)
APPLICATION.......................................Heavy duty for sectional doors, rolling doors and grilles
DUTY.....................................................25 cycles/hour or 100 cycles/day maximum
Table 1 - Operator Selection Guide (OPH / OPJ / OHJ)
Maximum Area in Square Feet (general guideline)
Rolling Doors Sectional Doors
HP
Insulated
Steel
16 ga
Steel
Steel Grilles
20 ga
Steel
Alu. Door
22 ga Steel
Alu. Grilles
24 ga
Steel
Steel
18 ga
ins.
Steel
18 ga
20 ga
ins.
Wood
Steel 20 ga,
22 & 24 ga
ins.
Alu. Steel
22 & 24 ga
Fiber
Glass
½ 157 236 260 319 358 196 245 314 343 392
¾ 206 294 358 451 515 270 319 441 490 549
1 255 358 446 574 613 294 392 490 564 613
For technical support, please call 1-800-361-2260 or visit www.manaras.com for more information
Figure 1 - Opera-H, Opera-J and Opera-HJ Dimensions

Table of Contents

Related product manuals