EasyManua.ls Logo

Manitou MT12042XT - Page 93

Manitou MT12042XT
114 pages
Print Icon
To Next Page IconTo Next Page
To Next Page IconTo Next Page
To Previous Page IconTo Previous Page
To Previous Page IconTo Previous Page
Loading...
PRINTED IN U.S.A. 89 50960025/CP0913
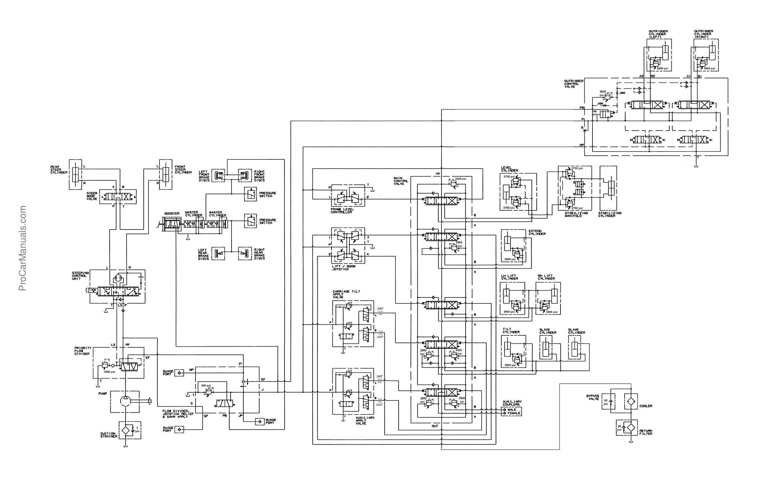
Hydraulic Schematic
for Tri-Function Joystick without PWP
ProCarManuals.com

Table of Contents

Related product manuals