EasyManua.ls Logo

Manitou MT12042XT - Page 94

Manitou MT12042XT
114 pages
Print Icon
To Next Page IconTo Next Page
To Next Page IconTo Next Page
To Previous Page IconTo Previous Page
To Previous Page IconTo Previous Page
Loading...
50960025/CP0913 90 PRINTED IN U.S.A.
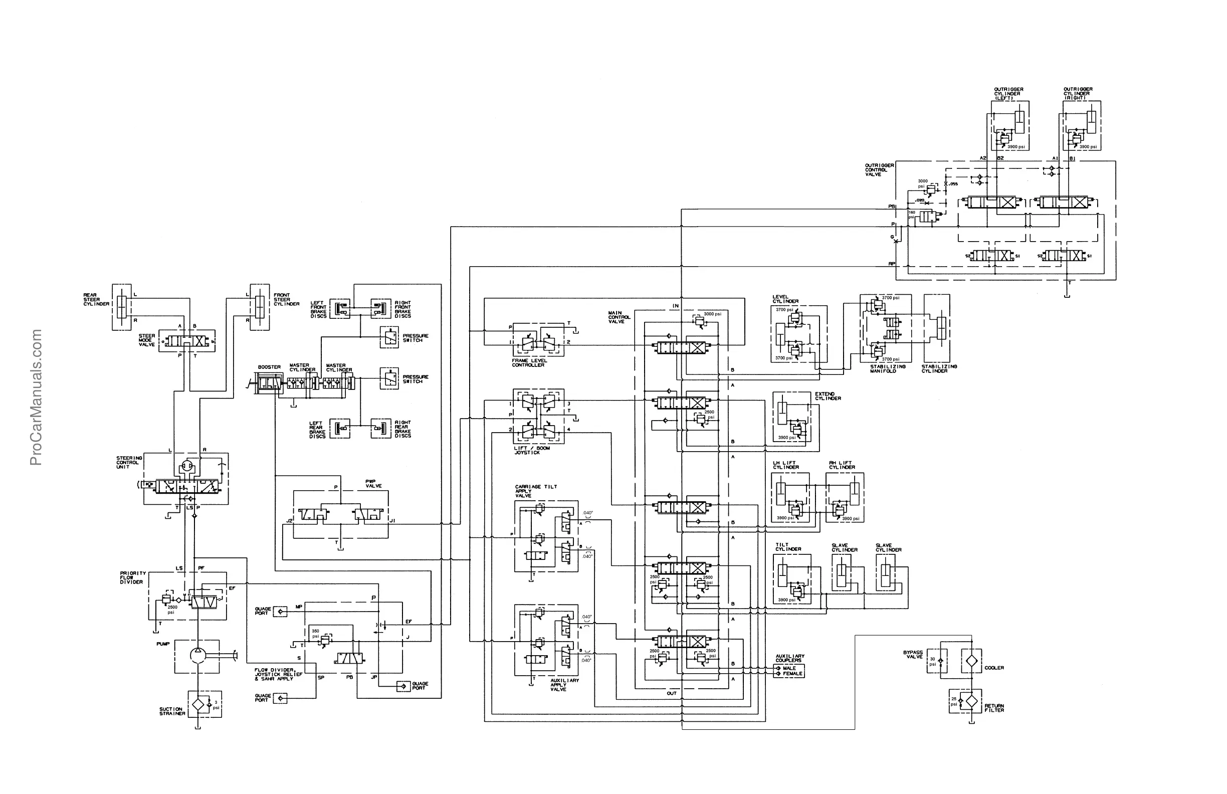
Hydraulic Schematic
for Tri-Function Joystick with PWP
ProCarManuals.com

Table of Contents

Related product manuals