EasyManua.ls Logo

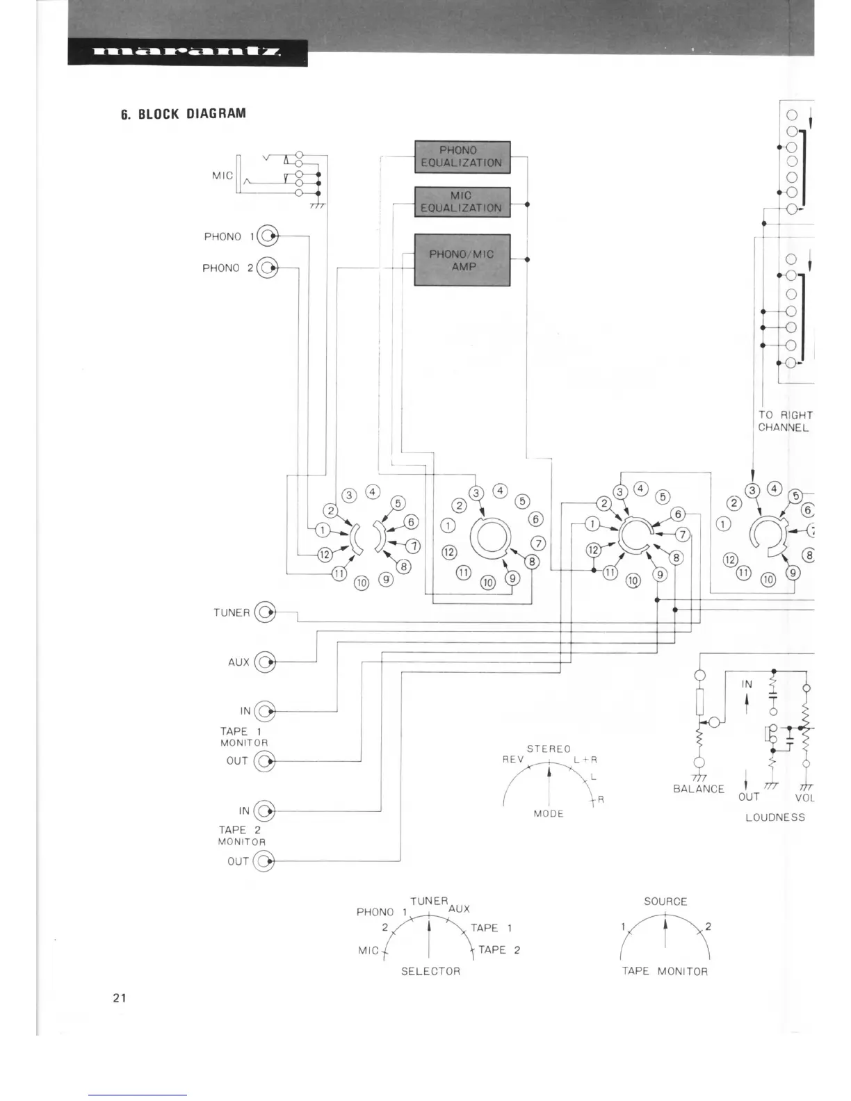
Marantz 1122DC - 6. Block Diagram

Marantz 1122DC
44 pages
Print Icon
To Next Page IconTo Next Page
To Next Page IconTo Next Page
To Previous Page IconTo Previous Page
To Previous Page IconTo Previous Page
Loading...

Related product manuals