EasyManua.ls Logo

Marantz 74 PM40 - Block Diagram

Marantz 74 PM40
14 pages
Print Icon
To Next Page IconTo Next Page
To Next Page IconTo Next Page
To Previous Page IconTo Previous Page
To Previous Page IconTo Previous Page
Loading...
TECHNICAL
SPECIFICATIONS
(DIN)
Power
Amplifier
Section
IHF
Dynamic
Power
2
ohms
4
ohms
8
ohms
Power
Output
Per
Channel
DIN
8
ohms
1
kHz
1%
THD
FTC
4
ohms
40—20
kHz
0.15%
THD
FTC
8
ohms
40—20
kHz
0.08%
THD
Total
Harmonic
Distortion
at
8
ohms
I.M.
Distortion
at
8
ohms
Damping
Factor
Phono
Amplifier
Section
MM
Cartridge
Input
Frequency
Difference
Signal
to
Noise
Ratio
(A
weighted)
Input
Sensitivity
Input
Impedance
High
Level
Section
Frequency
Response
Signal
to
Noise
Ratio
(A
weighted)
Input
Sensitivity
Input
Impedance
Tape
Output
Level
[Phono
(MM)
5
mV
1
kHz
Input]
Tape
Output
Impedance
(Phono)
Tone
Control
Action
100
Hz
10
kHz
General
Power
Requirements
2
Voltage
version
4
Voltage
version
et
th
AB
Class
Moode
A
Class
Moode
Dimensions
Panel
Width
Panel
Height
Depth
Weight
Unit
alone
Power
Consumption
(Rated
Power)
:
100W
:
8OW
>
54W
:
48W
:
55W
:
43W
:
0.015%
:
0.015%
:
100
:
+0.5
dB
:
87
dB
>
2.5
mV
:
47k
Ohms
:
10—60
kHz
:
87
dB
:
150
mV
:
33k
Ohms
:
300
mV
:
220
Ohms
:
440
Ohms
(oniy
/02B/12B
version)
:
+6
dB
:
+6
dB
:
220V/240V
:
110V—240V
:
170W
:
420
mm
:
118
mm
:
280
mm
:
10
kg
Specifications
and
appearance
are
subject
to
change
for
modification
without
notice.
MARA-00579
/
Druck
1
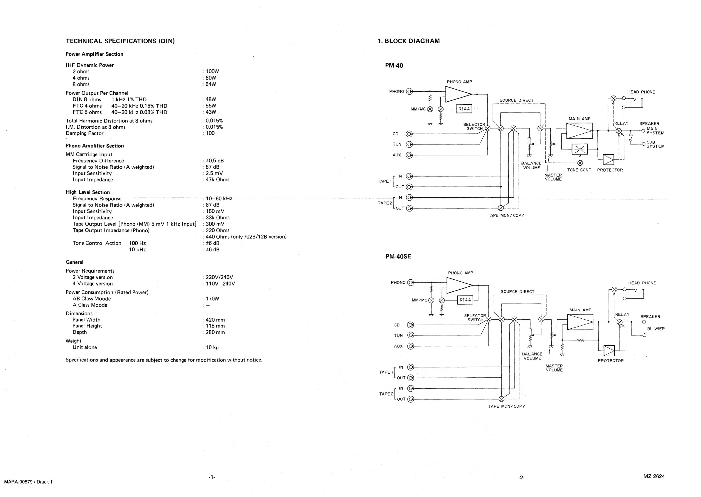
1.
BLOCK
DIAGRAM
PM-40
PHONO
AMP
PHONO
(Q)
,
i
HEAD
PHONE
¥/
SOURCE
DIRECT
JO
—<—
SS
Se
ae
MM/MC
(<--)
|RIAAT-
!
|
|
L
)
MAIN
AMP
|
SELECTOR
\
y
{RELAY
SPEAKER
SWITCH
&)—&)
nn
——
YW
5
MAIN
cb
©
)
|
aa
m~
SYSTEM
|
|
|
d
©
SUB
TUN
(CO
!
!
Wr
|
SYSTEM
|
l
ee
|
AUX
©
|
|
S
4s
|
BALANCE
Lj
—_—_
___
5)
wee)
pe
ee
TONE
CONT
PROTECTOR
IN
©
|
MASTER
hee
{
!
VOLUME
ouT
@
|
|
-
IN
(G+
|
TaPE2|
|
OUT
(G
oe
TAPE
MON/
COPY
PM-40SE
PHONO
AMP
PHONO
HEAD
PHONE
SOURCE
DIRECT
|
9)
Ov
]
Gian
Poon
al
|
MM/MC
RIAA
| |
|
O——
|
MAIN
AMP
|
SELECTORI
‘\
3
(RELAY
SPEAKER
SWITCH
X)—{®)
1)
x
pe.
=
.
<>
i
GF
ee
|
Bi-WIER
TUN
(
|
|
O
|
|
AUX
(OQ)
!
SS
:
|
BALANCE
Fae
|
yeu
PROTECTOR
in
CO
:
MASTER
nae
{
:
VOLUME
ouT@
|
|
In
©
|
TAPE
2
ee
OUT
G@)
6y-——H
TAPE
MON/
COPY
2.
MZ
2624

Related product manuals