EasyManua.ls Logo

Marantz 74SR480/02B - Circuit Schematics and Board Layouts; Main Board Schematic and Layout

Marantz 74SR480/02B
31 pages
Print Icon
To Next Page IconTo Next Page
To Next Page IconTo Next Page
To Previous Page IconTo Previous Page
To Previous Page IconTo Previous Page
Loading...
7 8
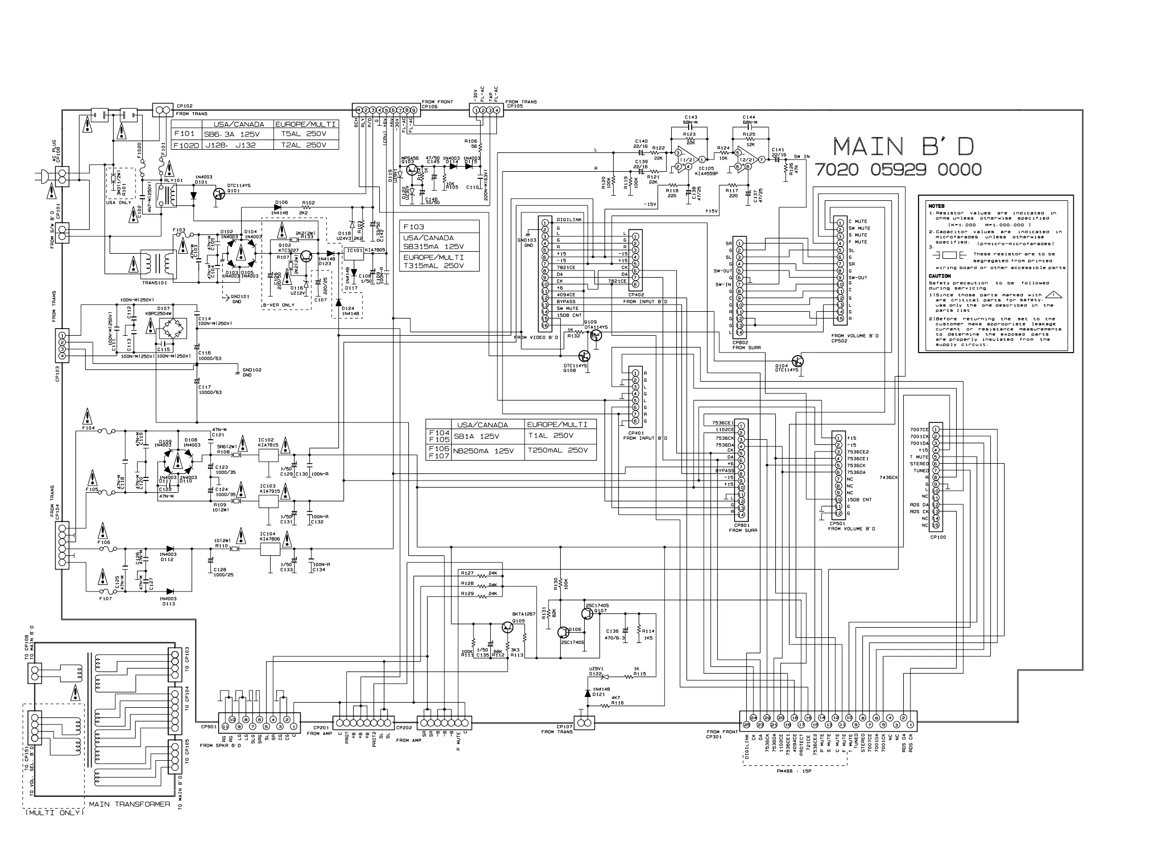
5. SCHEMATIC DIAGRAMS AND PARTS LOCATIONS (Parts side)
MAIN SCHEMATIC DIAGRAM

Related product manuals