EasyManua.ls Logo

Marantz 74SR480/02B - Wiring Diagram

Marantz 74SR480/02B
31 pages
Print Icon
To Next Page IconTo Next Page
To Next Page IconTo Next Page
To Previous Page IconTo Previous Page
To Previous Page IconTo Previous Page
Loading...
65
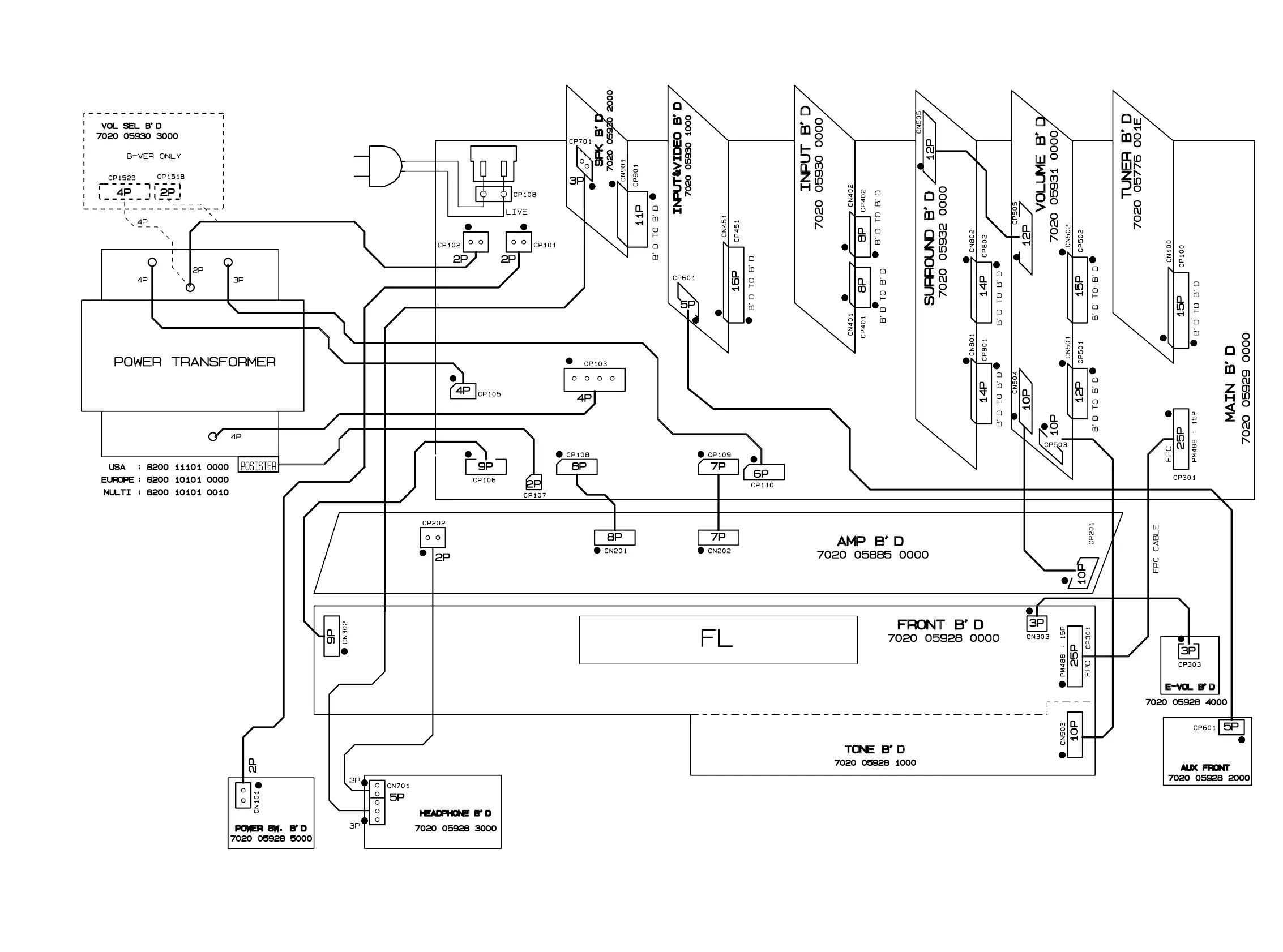
4. WIRING DIAGRAM

Related product manuals