EasyManua.ls Logo

Marantz DV4500 - Page 30

Marantz DV4500
48 pages
Print Icon
To Next Page IconTo Next Page
To Next Page IconTo Next Page
To Previous Page IconTo Previous Page
To Previous Page IconTo Previous Page
Loading...
1-8-3
1-8-4
E59M2SCD1
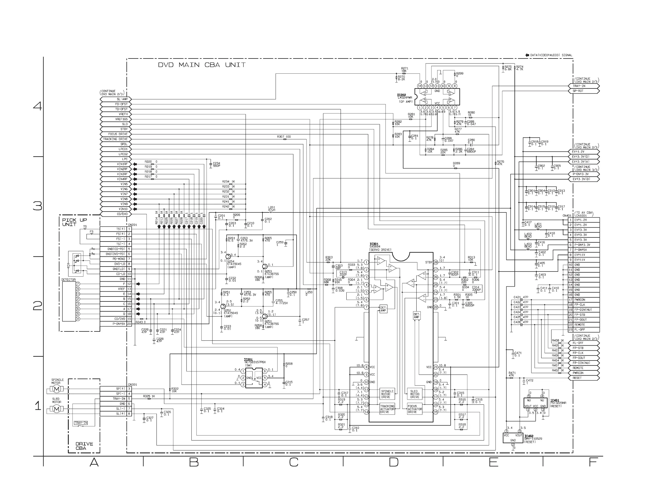
DVD Main 1/3 Schematic Diagram