EasyManua.ls Logo

Marantz DV4500 - Page 35

Marantz DV4500
48 pages
Print Icon
To Next Page IconTo Next Page
To Next Page IconTo Next Page
To Previous Page IconTo Previous Page
To Previous Page IconTo Previous Page
Loading...
E59M2SCAV21-8-13
1-8-14
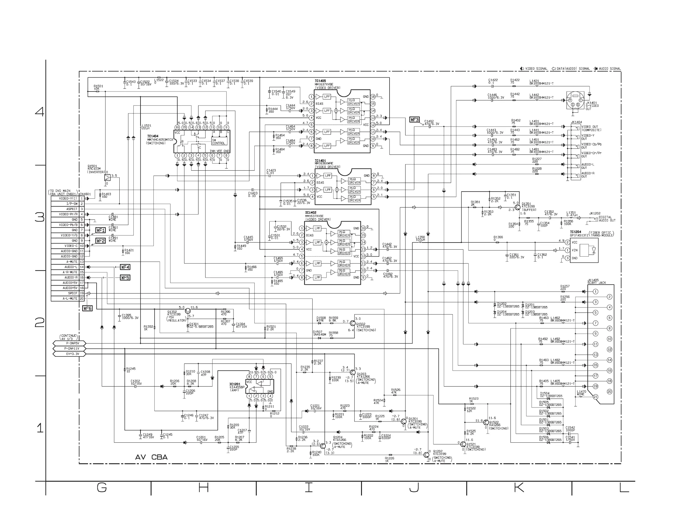
AV 2/3 Schematic Diagram

Other manuals for Marantz DV4500

Related product manuals