EasyManua.ls Logo

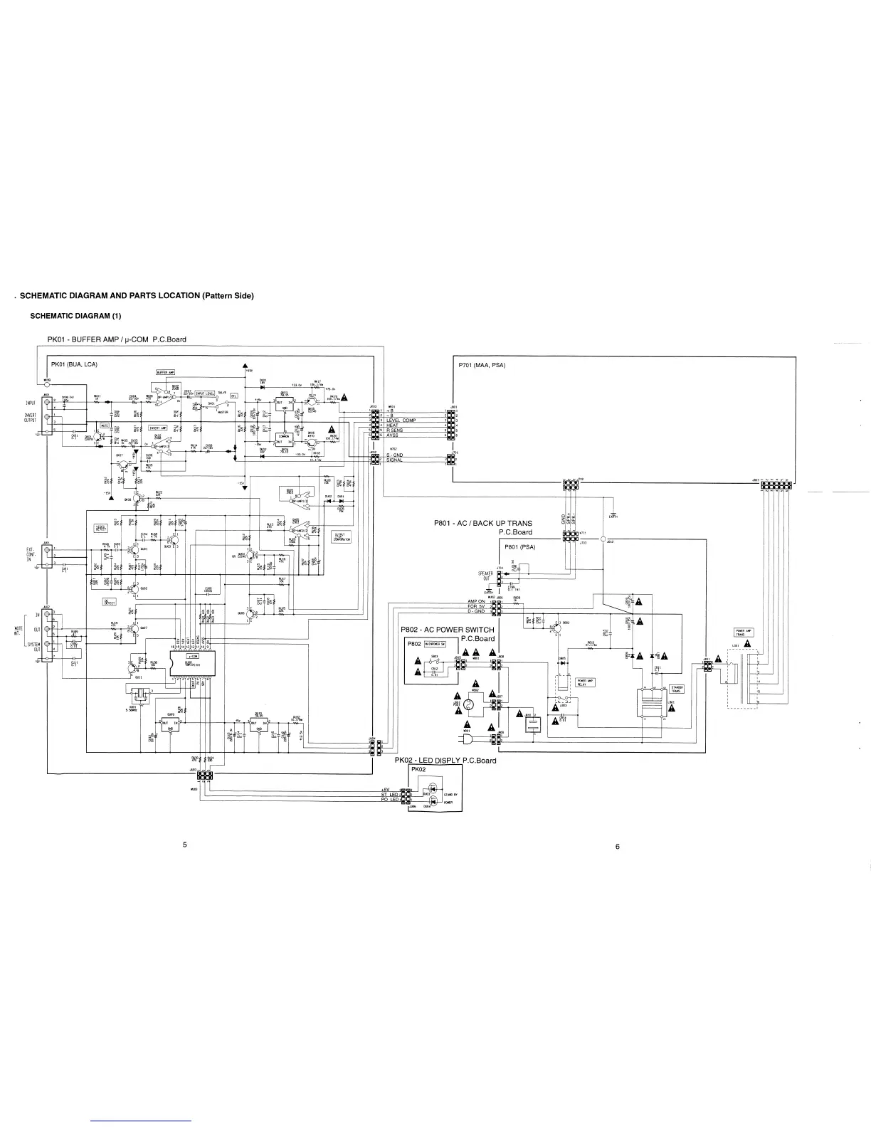
Marantz MA700 U - Schematic Diagram and Parts Location; Schematic Diagram (1)

Marantz MA700 U
16 pages
Print Icon
To Next Page IconTo Next Page
To Next Page IconTo Next Page
To Previous Page IconTo Previous Page
To Previous Page IconTo Previous Page
Loading...

Related product manuals