EasyManua.ls Logo

Marantz PM-16FN - Page 9

Marantz PM-16FN
18 pages
Print Icon
To Next Page IconTo Next Page
To Next Page IconTo Next Page
To Previous Page IconTo Previous Page
To Previous Page IconTo Previous Page
Loading...
PCS
86
655
J
ec
aida
QO
Q)
QO
};z
<iQO
O
O
O;<
Lf
4
LA
3
fee
af
1
Liew
3
£20'0
S169
g
fai
ee
ON
ee
ae
oc
ee
——————————————
is
Me
Pe
ee
a
te
ee
3
1
ae
ol
sO
ls
Pt
&
§
Ng
|
-—
a
s
153
ne
o
3
a
[ng
<=
=<
=
jas
3
e
3
Ze*
2
———-(000]
(909000)
(600)
[WeleYoYole
0900
af
“oc
-
n
lal
>|
>
a
=
226
x
>fuz
V7
23)3)3|*
i
5
SR20
o330
WSO
Ko
afa
agac
Fd
ae
come
ees
ems
cee
cm
ce
cms
cee
cme
cme
ccm
cee
cms]
()
()
me
mm
we)
me
ce
cee
me
es
ee
ce
ce
ed)
ce
ce
ee
ee
ee
ce
cee
ee
ee
ee
ee
oe
|
Cas
7
|=
ae
Ww
i]
|
we
|
165
|
oe
eh
Lf
I
up
°
age
|e
12
|
iS
|
ih
|
lao
|
|
r
I
|
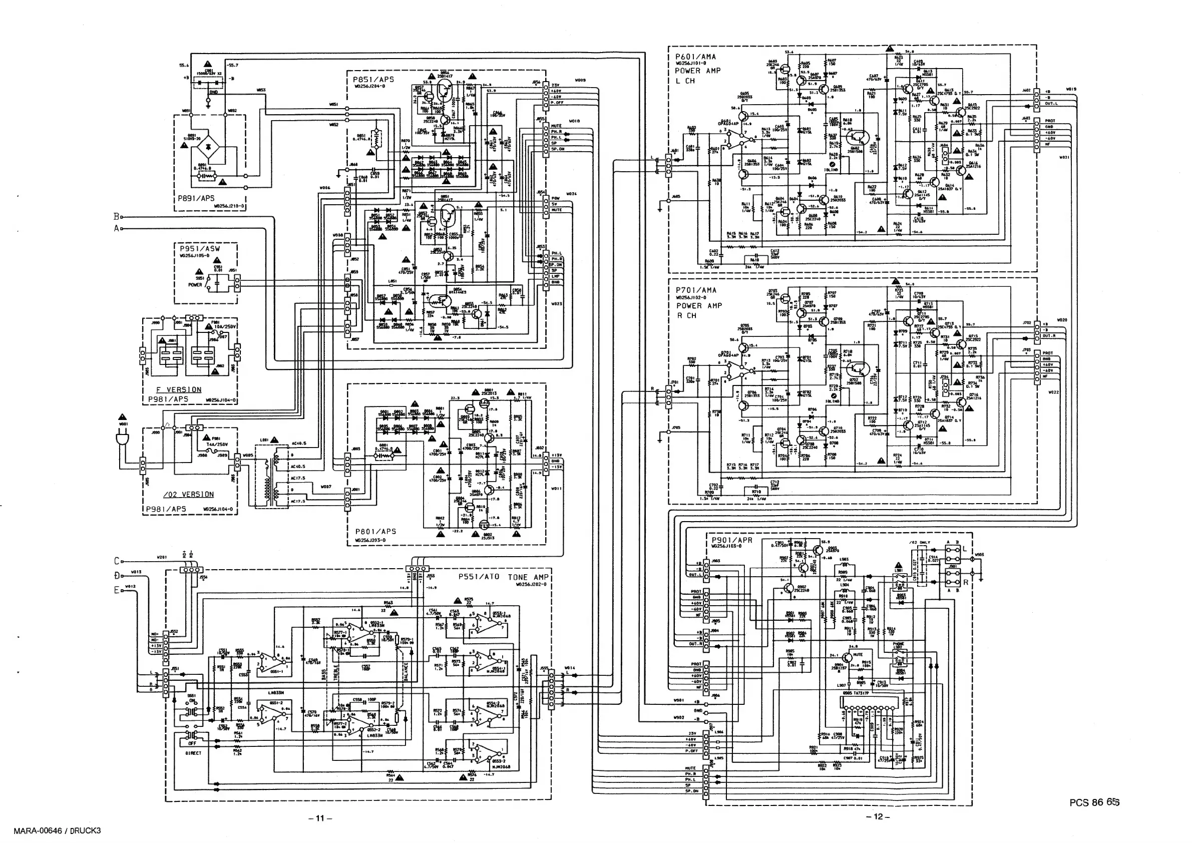
P851/APS
W62565204-0
P801/APS
WG2565203-0
L
a
Lessee
sls
Coed)
eee
——
r
-0f
lose
ee
a
tS
ee
ee
=|
7774
5
2
er
eet
2]
i!
len
fiae
|
Srili
|
3
a|
wo
|
13
ai
|iil
|
a$s
al
ae
ict
ae!
al
4°59
qo
¥l
NI
j-=
das
!
2
|
|
a
|
ip2
i
wl
a
I
Pa
ag
on
40H
ee
een,
me
Poel
Z|
a
|
>|
|
SI
:
u|
ol
°
=
ol
3
a7
2
|
cafe
eae
|
H-——+soe-———!
a
ape
-12-
-W-
MARA-00646
/
DRUCK3

Related product manuals