EasyManua.ls Logo

Marantz PM-47 - Page 12

Marantz PM-47
16 pages
Print Icon
To Next Page IconTo Next Page
To Next Page IconTo Next Page
To Previous Page IconTo Previous Page
To Previous Page IconTo Previous Page
Loading...
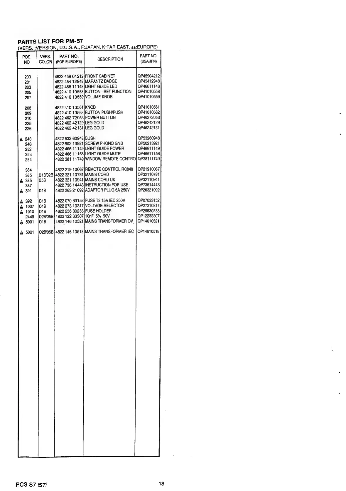
PARTS
LIST
FOR
PM-57
(VERS.
:VERSION,
U:U.S.A.,
F:JAPAN,
K:FAR
EAST,
x«:EUROPE)
pos.
|
veRS.|
PART
NO.
PART
NO.
COLOR
|
(FOR
EUROPE)
DESCRIPTION
QP45904212
QP41010559
QP41010561
QP26321092
QP07033152
QP14610521
028/05B
|
4822
146
10518]
MAINS
TRANSFORMER
IEC
|
QP14610518
PCS
87
577
18

Related product manuals