EasyManua.ls Logo

Marantz PM-50 - Diagrams and Layouts; Block Diagram

Marantz PM-50
17 pages
Print Icon
To Next Page IconTo Next Page
To Next Page IconTo Next Page
To Previous Page IconTo Previous Page
To Previous Page IconTo Previous Page
Loading...
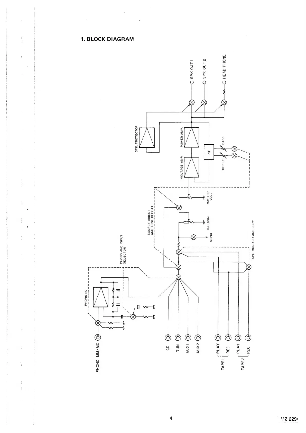
1.
BLOCK
DIAGRAM
AdOD
ONY
YOLINOW
3d¥L
7
Ss
earn
Mae
a
4
nae
5
{
o
f
'
{
U
a
t
t
fe)
af
'
1
SAV
(K
t
&)
&)
!
{
{
{
3NOHd
GV3H
O
(%)
ssva
2
anaayL
|
\
i)
!
1
'
'
1
0A
ONOW
|
AN
'
YyaLSUW
SOnv
va
t
ZLNO
Ads
O
4
i
\|
\
f
1
t
ee
he
|
|
LNO
Xds
O-
x)
1
es
Ses
‘dv
Y3MOd
‘dAWV
39VLIOA
!
S
ae
&
Semis
l
ri
1
{
/
i
{
gf
\
'
ye
/
i
ee
ec
ee
ee
/
i
ivajad
3NOL
ONY
1
LO3uIG
39yNoS
2
os)
=
"as
TZ
YOLIZLOYd
“Ads
1
ov,
1
OS)
1
oa
4yoLo373S
poe
YY
LAANI
ONY
ONOHd
T
\
03
ONOHd
(©)
IW/WW
ONOHd
MZ
22%

Related product manuals