EasyManua.ls Logo

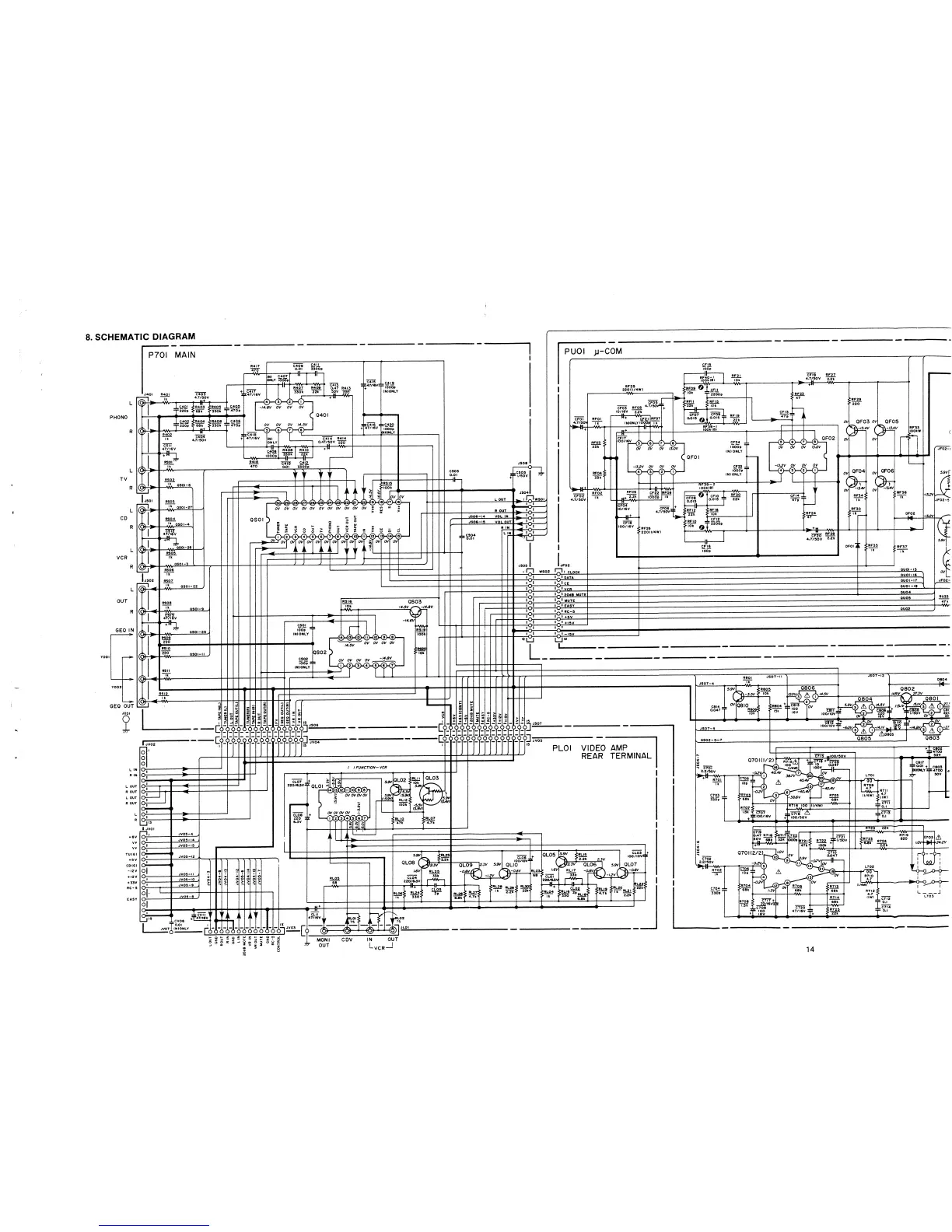
Marantz PM493 - Schematic Diagram

Marantz PM493
16 pages
Print Icon
To Next Page IconTo Next Page
To Next Page IconTo Next Page
To Previous Page IconTo Previous Page
To Previous Page IconTo Previous Page
Loading...

Related product manuals