EasyManua.ls Logo

Marantz SD9000 - Page 28

Marantz SD9000
69 pages
Print Icon
To Next Page IconTo Next Page
To Next Page IconTo Next Page
To Previous Page IconTo Previous Page
To Previous Page IconTo Previous Page
Loading...
4,
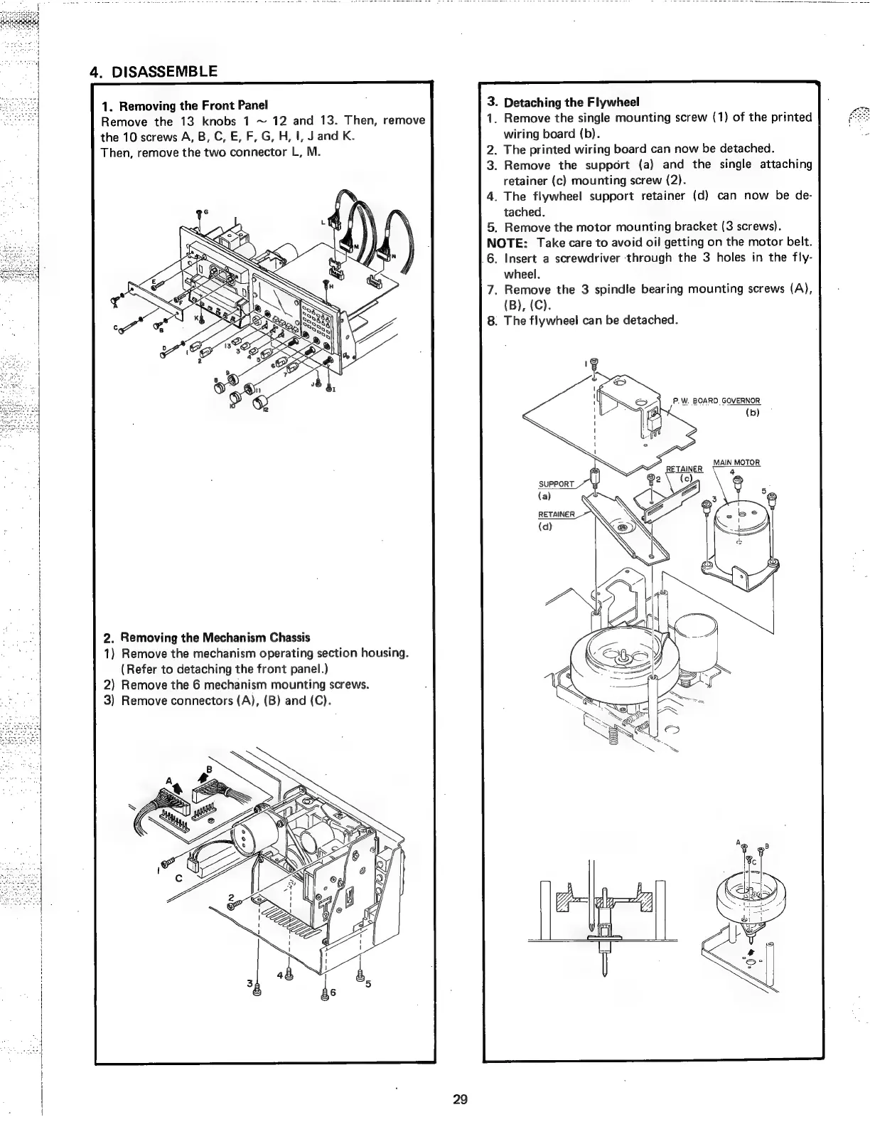
DISASSEMBLE
1.
Removing
the
Front
Panel
Remove
the
13
knobs
1
~
12
and
13.
Then,
remove
the
10
screws
A,
B,
C,
E,
F,
G,
H,
|,
J
and
K.
Then,
remove
the
two
connector
L,
M.
2.
Removing
the
Mechanism
Chassis
1)
Remove
the
mechanism
operating
section
housing.
(Refer
to
detaching
the
front
panel.)
2)
Remove
the
6
mechanism
mounting
screws.
3)
Remove
connectors
(A),
(B)
and
(C).
29
-
Detaching
the
Flywheel
.
Remove
the
single
mounting
screw
(1)
of
the
printed
wiring
board
(b).
.
The
printed
wiring
board
can
now
be
detached.
.
Remove
the
support
(a)
and
the
single
attaching
retainer
(c)
mounting
screw
(2).
.
The
flywheel
support
retainer
(d)
can
now
be
de-
tached.
.
Remove
the
motor
mounting
bracket
(3
screws).
NOTE:
Take
care
to
avoid
oil
getting
on
the
motor
belt.
|6.
Insert
a
screwdriver
‘through
the
3
holes
in
the
fly-
wheel.
7.
Remove
the
3
spindle
bearing
mounting
screws
(A),
(B),
(C).
8.
The
flywheel
can
be
detached.